|
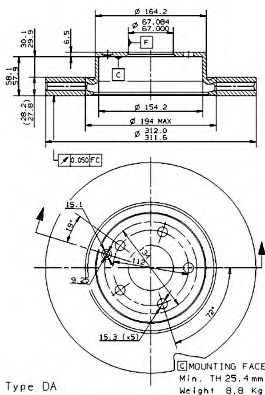
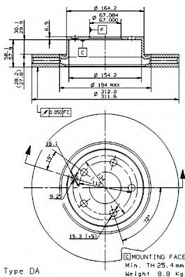
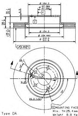
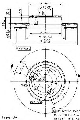
Тормозной диск
Высота [мм] : 68
Диаметр [мм] : 300
Диаметр фаски 2 [мм] : 105
Диаметр центрирования [мм] : 67
Количество отверстий : 5
Минимальная толщина [мм] : 19,4
Размер резьбы : 15,3
Тип тормозного диска : вентилируемый
Толщина тормозного диска (мм) : 22
Показать больше свойств
|
|
|
Тормозной диск
Высота [мм] : 54,5
Диаметр [мм] : 295
Диаметр центрирования [мм] : 67
для артикула № : M2017V
Количество отверстий : 5
Минимальная толщина [мм] : 25
Тип тормозного диска : с внутренней вентиляцией
Толщина тормозного диска (мм) : 28
Показать больше свойств
|
|
|
Тормозной диск
Высота [мм] : 54,5
Диаметр [мм] : 295,5
Диаметр фаски 2 [мм] : 112
Диаметр центрирования [мм] : 67
Количество отверстий : 5
Минимальная толщина [мм] : 25,4
Размер резьбы : 15,3
Тип тормозного диска : вентилируемый
Толщина тормозного диска (мм) : 28
Показать больше свойств
|
|
|
Тормозной диск
Высота [мм] : 64,5
Диаметр [мм] : 330
Диаметр центрирования [мм] : 67
Количество отверстий : 5
Минимальная толщина [мм] : 29,4
Сторона установки : Передний мост
Тип тормозного диска : вентилируемый
Толщина тормозного диска (мм) : 32
Показать больше свойств
|
|
|
Тормозной диск
Вес [кг] : 5,11
Высота [мм] : 68,3
Диаметр [мм] : 300
Диаметр центрирования [мм] : 67,1
Количество отверстий : 5
Минимальная толщина [мм] : 8,3
проверочное значение : K.B.A.: 61210
Сторона установки : Задний мост
Тип тормозного диска : полный
Толщина тормозного диска (мм) : 10
Показать больше свойств
|
|
|
Тормозной диск
Высота [мм] : 54,5
Диаметр [мм] : 295
Диаметр центрирования [мм] : 67
для артикула № : M2017VR
Количество отверстий : 5
Минимальная толщина [мм] : 25
Поверхность : с покрытием
Тип тормозного диска : с внутренней вентиляцией
Толщина тормозного диска (мм) : 28
Показать больше свойств
|
|
|
Тормозной диск
Вес [кг] : 8,25
Высота [мм] : 54,5
Диаметр [мм] : 295,2
Диаметр центрирования [мм] : 67
Количество отверстий : 5
Минимальная толщина [мм] : 25,4
проверочное значение : K.B.A.: 61209
Сторона установки : Передний мост
Тип тормозного диска : вентилируемый
Толщина тормозного диска (мм) : 28
Показать больше свойств
|
|
|
Тормозной диск
Диаметр [мм] : 295
Диаметр фаски 2 [мм] : 67
Дополнительный артикул / дополнительная информация 2 : без подшипника
Количество отверстий : 5
Сторона установки : Передний мост
Тип тормозного диска : вентилируемый
Толщина тормозного диска (мм) : 28
Показать больше свойств
|
|
|
Тормозной диск
Высота [мм] : 68
Диаметр [мм] : 300
Диаметр центрирования [мм] : 67
для артикула № : M2002V
Количество отверстий : 5
Минимальная толщина [мм] : 19,4
Тип тормозного диска : с внутренней вентиляцией
Толщина тормозного диска (мм) : 22
Показать больше свойств
|
|
|
Тормозной диск
Вес [кг] : 14,887
Высота [мм] : 65,6
Диаметр [мм] : 300
Диаметр фаски 2 [мм] : 67
Количество отверстий : 5
Минимальная толщина [мм] : 19,4
Поверхность : лакированный
Тип тормозного диска : вентилируемый
Толщина тормозного диска (мм) : 22
Показать больше свойств
|
|
|
Тормозной диск
Ø отверстия болт крепления колеса [мм] : 15,3
Высота [мм] : 54,7
Диаметр фаски 2 [мм] : 112
Диаметр центрирования [мм] : 67
Количество отверстий : 5
Минимальная толщина [мм] : 25,4
Наружный диаметр [мм] : 295
Сторона установки : Передний мост
Тип тормозного диска : вентилируемый
Толщина тормозного диска (мм) : 28
Показать больше свойств
|
|
|
Тормозной диск
Высота [мм] : 64,5
Диаметр [мм] : 312
Диаметр фаски 2 [мм] : 112
Диаметр центрирования [мм] : 64
Количество отверстий : 5
Минимальная толщина [мм] : 25,4
Поверхность : лакированный
Размер резьбы : 15.3
Тип тормозного диска : вентилируемый
Толщина тормозного диска (мм) : 28
Цвет : черный
Показать больше свойств
|
|
|
Тормозной диск
Диаметр [мм] : 300
Диаметр ступицы колеса [мм] : 67
Количество отверстий : 5
Минимальная толщина [мм] : 8,3
Обработка : Высокоуглеродистый
Поверхность : лакированный
Тип тормозного диска : полный
Толщина тормозного диска (мм) : 10
Показать больше свойств
|
Показать еще цены (1)
Скрыть
|
|
Тормозной диск
Вес [кг] : 7,43
Высота [мм] : 54,6
Диаметр [мм] : 295
Диаметр ступицы колеса [мм] : 67
Количество отверстий : 5
Минимальная толщина [мм] : 25,4
Тип тормозного диска : с внутренней вентиляцией
Толщина тормозного диска (мм) : 28
Показать больше свойств
|
Показать еще цены (1)
Скрыть
|
|
Тормозной диск
Вес [кг] : 7,1
Диаметр фаски 2 [мм] : 112
Минимальная толщина [мм] : 19,4
Наружный диаметр [мм] : 300
необходимое количество : 2
Сторона установки : Задний мост
Тип тормозного диска : с внутренней вентиляцией
Толщина [мм] : 65,6
Толщина тормозного диска (мм) : 22
Число отверстий в диске колеса : 5
Показать больше свойств
|
|
|
Тормозной диск
Высота [мм] : 68
Диаметр [мм] : 300
Диаметр барабана : 180
Диаметр фаски 2 [мм] : 105
Диаметр центрирования [мм] : 67
Количество отверстий : 5
Минимальная толщина [мм] : 19,4
Поверхность : лакированный
Размер резьбы : 15,3
Тип тормозного диска : вентилируемый
Толщина тормозного диска (мм) : 22
Цвет : черный
Показать больше свойств
|
Показать еще цены (2)
Скрыть
|
|
Тормозной диск
Высота [мм] : 68
Диаметр [мм] : 300
Диаметр центрирования [мм] : 67
для артикула № : 09.A358.11
Дополнительный артикул / дополнительная информация 2 : с винтами
Количество отверстий : 5
Минимальная толщина [мм] : 19,4
Момент затяжки [Нм] : 130
Обработка : Высокоуглеродистый
Поверхность : с покрытием
Тип тормозного диска : с внутренней вентиляцией
Толщина тормозного диска (мм) : 22
Показать больше свойств
|
Показать еще цены (1)
Скрыть
|
|
Тормозной диск
Диаметр [мм] : 300
Диаметр ступицы колеса [мм] : 67
Количество отверстий : 5
Минимальная толщина [мм] : 19,4
Обработка : Высокоуглеродистый
Поверхность : лакированный
Тип тормозного диска : с внутренней вентиляцией
Толщина тормозного диска (мм) : 22
Показать больше свойств
|
|
|
Тормозной диск
Ø отверстия ступицы [мм] : 67
Ø фаски 1 [мм] : 112
Вес [кг] : 7,12
Высота [мм] : 68
Минимальная толщина [мм] : 19,4
Наружный диаметр [мм] : 300
Обработка : Высокоуглеродистый
Поверхность : с покрытием
Расположение/число отверстий : 6/5
Тип тормозного диска : с внутренней вентиляцией
Толщина [мм] : 22
Показать больше свойств
|
Показать еще цены (1)
Скрыть
|
|
Тормозной диск
Вес [кг] : 8,15
Высота [мм] : 54,5
Диаметр [мм] : 295
Диаметр ступицы колеса [мм] : 67
Количество отверстий : 5
Минимальная толщина [мм] : 25,4
Тип тормозного диска : с внутренней вентиляцией
Толщина тормозного диска (мм) : 28
Показать больше свойств
|
|
|
Тормозной диск
Высота [мм] : 54,5
Диаметр [мм] : 295,5
Диаметр фаски 2 [мм] : 112
Диаметр центрирования [мм] : 67
Количество отверстий : 5
Минимальная толщина [мм] : 25,4
Поверхность : лакированный
Размер резьбы : 15,3
Тип тормозного диска : вентилируемый
Толщина тормозного диска (мм) : 28
Цвет : черный
Показать больше свойств
|
Показать еще цены (3)
Скрыть
|
|
Тормозной диск
Вес [кг] : 7,319
Диаметр центрирования [мм] : 67
Минимальная толщина [мм] : 25,4
Наружный диаметр [мм] : 295
необходимое количество : 2
Сторона установки : Передний мост
Тип тормозного диска : с внутренней вентиляцией
Толщина [мм] : 54,6
Толщина тормозного диска (мм) : 28
Число отверстий в диске колеса : 5
Показать больше свойств
|
|
|
Тормозной диск
Высота [мм] : 54,5
Диаметр [мм] : 295
Диаметр фаски 2 [мм] : 67
Количество отверстий : 5
Минимальная толщина [мм] : 25,4
Поверхность : лакированный
Сторона установки : Передний мост
Тип тормозного диска : вентилируемый
Толщина тормозного диска (мм) : 28
Показать больше свойств
|
|
|
Тормозной диск
Диаметр [мм] : 295
Диаметр ступицы колеса [мм] : 67
Количество отверстий : 5
Минимальная толщина [мм] : 26
Обработка : Высокоуглеродистый
Поверхность : лакированный
Тип тормозного диска : с внутренней вентиляцией
Толщина тормозного диска (мм) : 28,1
Показать больше свойств
|
|
|
Тормозной диск
Внутренний диаметр : 180
Высота [мм] : 68
Диаметр [мм] : 300
Диаметр отверстия [мм] : 15,3
Диаметр фаски 2 [мм] : 112
Диаметр центрирования [мм] : 67
Дополнительный артикул / дополнительная информация 2 : с винтами
Количество отверстий : 5
Минимальная толщина [мм] : 19,4
Поверхность : с покрытием
Тип тормозного диска : вентилируемый
Толщина тормозного диска (мм) : 22
Показать больше свойств
|
Показать еще цены (2)
Скрыть
|
|
Тормозной диск
Высота [мм] : 64,5
Диаметр [мм] : 312
Диаметр центрирования [мм] : 67
для артикула № : 09.9481.11
Дополнительный артикул / дополнительная информация 2 : с винтами
Количество отверстий : 5
Минимальная толщина [мм] : 25,4
Момент затяжки [Нм] : 130
Обработка : Высокоуглеродистый
Поверхность : с покрытием
Тип тормозного диска : с внутренней вентиляцией
Толщина тормозного диска (мм) : 28
Показать больше свойств
|
|
|
Тормозной диск
Вес [кг] : 7,12
Высота [мм] : 68
Высота упаковки [см] : 15,5
Диаметр [мм] : 300
Диаметр фаски 2 [мм] : 112
Диаметр центрирования [мм] : 67
Длина упаковки [см] : 33
Дополнительный артикул / дополнительная информация 2 : без ступицы
Минимальная толщина [мм] : 19,4
Номер технической информации : 98200 1155 0 1 PRO
Обработка : Высокоуглеродистый
Поверхность : с покрытием
Расположение/число отверстий : 05/06
Тип тормозного диска : с внутренней вентиляцией
Толщина тормозного диска (мм) : 22
Ширина упаковки [см] : 31,5
Показать больше свойств
|
|
|
Тормозной диск
Высота [мм] : 64,5
Диаметр [мм] : 312
Диаметр фаски 2 [мм] : 112
Диаметр центрирования [мм] : 64
Количество отверстий : 5
Минимальная толщина [мм] : 25,4
Поверхность : лакированный
Размер резьбы : 15.3
Тип тормозного диска : вентилируемый
Толщина тормозного диска (мм) : 28
Цвет : черный
Показать больше свойств
|
|
|
Тормозной диск
Внутренний диаметр : 154
Высота [мм] : 54,5
Диаметр [мм] : 295
Диаметр отверстия [мм] : 15,3
Диаметр фаски 2 [мм] : 112
Диаметр центрирования [мм] : 67
Количество отверстий : 5
Минимальная толщина [мм] : 25,4
Обработка : легированный/высокоуглеродистый
Поверхность : с покрытием
Тип тормозного диска : вентилируемый
Толщина тормозного диска (мм) : 28
Показать больше свойств
|
|
|
Тормозной диск
Ø отверстия ступицы [мм] : 67
Ø фаски 1 [мм] : 112
Вес [кг] : 7,98
Высота [мм] : 54,5
Минимальная толщина [мм] : 25,4
Наружный диаметр [мм] : 295
Обработка : Высокоуглеродистый
Поверхность : с покрытием
Расположение/число отверстий : 6/5
Тип тормозного диска : с внутренней вентиляцией
Толщина [мм] : 28
Показать больше свойств
|
|
|
Тормозной диск
Высота [мм] : 64,5
Диаметр [мм] : 330
Диаметр ступицы колеса [мм] : 67
Количество отверстий : 5
Минимальная толщина [мм] : 30
Обработка : Высокоуглеродистый
Поверхность : лакированный
Тип тормозного диска : с отверстиями
Толщина тормозного диска (мм) : 32
Показать больше свойств
|
|
|
Тормозной диск
Вес [кг] : 10,73
Диаметр фаски 2 [мм] : 112
Минимальная толщина [мм] : 30
Наружный диаметр [мм] : 329
необходимое количество : 2
Сторона установки : Передний мост
Тип тормозного диска : с отверстиями/с внутр. вентиляцией
Толщина тормозного диска (мм) : 32
Число отверстий в диске колеса : 5
Показать больше свойств
|
|
|
Тормозной диск
Внутренний диаметр : 154
Высота [мм] : 64,5
Диаметр [мм] : 330
Диаметр отверстия [мм] : 15
Диаметр фаски 2 [мм] : 112
Диаметр центрирования [мм] : 67
Дополнительный артикул / дополнительная информация 2 : с винтами
Количество отверстий : 5
Минимальная толщина [мм] : 30
Обработка : легированный/высокоуглеродистый
Поверхность : с покрытием
Тип тормозного диска : с отверстиями/с внутр. вентиляцией
Толщина тормозного диска (мм) : 32
Показать больше свойств
|
|
|
Тормозной диск
Ø отверстия ступицы [мм] : 67
Ø фаски 1 [мм] : 112
Вес [кг] : 7,12
Высота [мм] : 68
Минимальная толщина [мм] : 19,4
Наружный диаметр [мм] : 300
Номер ABE : KBA 60872
Обработка : Высокоуглеродистый
Поверхность : с покрытием
Расположение/число отверстий : 6/5
Тип тормозного диска : с отверстиями
Толщина [мм] : 22
Показать больше свойств
|
|
|
Тормозной диск
Высота [мм] : 64,5
Диаметр [мм] : 330
Диаметр центрирования [мм] : 67
для артикула № : 09.9825.11
Дополнительный артикул / дополнительная информация 2 : с винтами
Количество отверстий : 5
Минимальная толщина [мм] : 30
Момент затяжки [Нм] : 130
Обработка : Высокоуглеродистый
Поверхность : с покрытием
Тип тормозного диска : с отверстиями/с внутр. вентиляцией
Толщина тормозного диска (мм) : 32
Показать больше свойств
|
|
|
Тормозной диск
Высота [мм] : 64,5
Диаметр [мм] : 330
Диаметр центрирования [мм] : 67
для артикула № : BV 8594
Дополнительный артикул / дополнительная информация 2 : с винтами
Количество отверстий : 5
Минимальная толщина [мм] : 30
Момент затяжки [Нм] : 130
Обработка : Высокоуглеродистый
Поверхность : с покрытием
Тип тормозного диска : с отверстиями/с внутр. вентиляцией
Толщина тормозного диска (мм) : 32
Показать больше свойств
|
|
|
Тормозной диск
Версия : COATED
Вес [кг] : 7,1
Высота [мм] : 68
Диаметр [мм] : 300
Диаметр центрирования [мм] : 67
для артикула № : 89011661 Bolt
Минимальная толщина [мм] : 19,4
Сторона установки : Задний мост
Тип тормозного диска : вентилируемый
Толщина тормозного диска (мм) : 22
Число отверстий в диске колеса : 5
Показать больше свойств
|
|
|
Тормозной диск
Вес [кг] : 8,25
Высота [мм] : 54,5
Диаметр [мм] : 295,2
Диаметр центрирования [мм] : 67
Количество отверстий : 5
Минимальная толщина [мм] : 25,4
проверочное значение : K.B.A.: 61209
Сторона установки : Передний мост
Тип тормозного диска : вентилируемый
Толщина тормозного диска (мм) : 28
Показать больше свойств
|
|
|
Тормозной диск
Версия : COATED
Вес [кг] : 8,95
Высота [мм] : 64,5
Диаметр [мм] : 312
Диаметр центрирования [мм] : 67
для артикула № : 89011661 Bolt
Минимальная толщина [мм] : 25,4
Сторона установки : Передний мост
Тип тормозного диска : вентилируемый
Толщина тормозного диска (мм) : 28
Число отверстий в диске колеса : 5
Показать больше свойств
|
|
|
Тормозной диск
Версия : COATED
Вес [кг] : 8,25
Высота [мм] : 54,5
Диаметр [мм] : 295
Диаметр центрирования [мм] : 67
Минимальная толщина [мм] : 25,4
Сторона установки : Передний мост
Тип тормозного диска : вентилируемый
Толщина тормозного диска (мм) : 28
Число отверстий в диске колеса : 5
Показать больше свойств
|
|
|
Тормозной диск
Версия : COATED
Вес [кг] : 5,15
Высота [мм] : 68,5
Диаметр [мм] : 300
Диаметр центрирования [мм] : 67,1
для артикула № : 89011661 Bolt
Минимальная толщина [мм] : 8,3
Сторона установки : Задний мост
Тип тормозного диска : полный
Толщина тормозного диска (мм) : 10
Число отверстий в диске колеса : 5
Показать больше свойств
|
|
|
Тормозной диск
Ø отверстия ступицы [мм] : 67
Высота [мм] : 64,5
Диаметр ступицы [мм] : 164
Диаметр фаски 2 [мм] : 112
Наружный диаметр [мм] : 330
Сторона установки : Передний мост
Тип тормозного диска : вентилируемый
Толщина тормозного диска (мм) : 32
Число отверстий в диске колеса : 5
Показать больше свойств
|
|
|
Тормозной диск
Вес [кг] : 7,1
Высота [мм] : 68
Диаметр [мм] : 300
Диаметр центрирования [мм] : 67
Количество отверстий : 5
Минимальная толщина [мм] : 19,4
проверочное значение : K.B.A.: 61209
Сторона установки : Задний мост
Тип тормозного диска : вентилируемый
Толщина тормозного диска (мм) : 22
Показать больше свойств
|
|
|
Тормозной диск
Вес [кг] : 5,11
Высота [мм] : 68,3
Диаметр [мм] : 300
Диаметр центрирования [мм] : 67,1
Количество отверстий : 5
Минимальная толщина [мм] : 8,3
проверочное значение : K.B.A.: 61210
Сторона установки : Задний мост
Тип тормозного диска : полный
Толщина тормозного диска (мм) : 10
Показать больше свойств
|
|
|
Тормозной диск
Ø отверстия ступицы [мм] : 67
Высота 1 [мм] : 65,5
Высота 2 [мм] : 68,5
Диаметр ступицы [мм] : 168
Диаметр фаски 2 [мм] : 112
Наружный диаметр [мм] : 300
Сторона установки : Задний мост
Тип тормозного диска : вентилируемый
Толщина тормозного диска (мм) : 22
Число отверстий в диске колеса : 5
Показать больше свойств
|
|
|
Тормозной диск
Высота [мм] : 54,5
Диаметр [мм] : 295
Диаметр центрирования [мм] : 67
для артикула № : BS 8502
Дополнительный артикул / дополнительная информация 2 : с винтами
Количество отверстий : 5
Минимальная толщина [мм] : 25,4
Момент затяжки [Нм] : 130
Обработка : Высокоуглеродистый
Тип тормозного диска : с внутренней вентиляцией
Толщина тормозного диска (мм) : 28
Показать больше свойств
|
|
|
Тормозной диск
Ø отверстия ступицы [мм] : 67
Высота [мм] : 54,5
Диаметр ступицы [мм] : 165
Диаметр фаски 2 [мм] : 112
Наружный диаметр [мм] : 295
Поверхность : с покрытием
Сторона установки : Передний мост
Тип тормозного диска : вентилируемый
Толщина тормозного диска (мм) : 28
Число отверстий в диске колеса : 5
Показать больше свойств
|
|
|
Тормозной диск
Высота [мм] : 64,5
Диаметр [мм] : 312
Диаметр центрирования [мм] : 67
для артикула № : BS 8509
Дополнительный артикул / дополнительная информация 2 : с винтами
Количество отверстий : 5
Минимальная толщина [мм] : 25,4
Момент затяжки [Нм] : 130
Обработка : Высокоуглеродистый
Тип тормозного диска : с внутренней вентиляцией
Толщина тормозного диска (мм) : 28
Показать больше свойств
|
|
|
Тормозной диск
Высота [мм] : 64,5
Диаметр [мм] : 330
Диаметр центрирования [мм] : 67
для артикула № : BS 8594
Дополнительный артикул / дополнительная информация 2 : с винтами
Количество отверстий : 5
Минимальная толщина [мм] : 30
Момент затяжки [Нм] : 130
Обработка : Высокоуглеродистый
Тип тормозного диска : с отверстиями/с внутр. вентиляцией
Толщина тормозного диска (мм) : 32
Показать больше свойств
|
|
|
Тормозной диск
Высота [мм] : 68
Диаметр [мм] : 300
Диаметр центрирования [мм] : 67
для артикула № : BV 8739
Дополнительный артикул / дополнительная информация 2 : с винтами
Количество отверстий : 5
Минимальная толщина [мм] : 19,4
Момент затяжки [Нм] : 130
Обработка : Высокоуглеродистый
Поверхность : с покрытием
Тип тормозного диска : с внутренней вентиляцией
Толщина тормозного диска (мм) : 22
Показать больше свойств
|
|
|
Тормозной диск
Вес [кг] : 7,1
Высота [мм] : 68
Диаметр [мм] : 300
Диаметр центрирования [мм] : 67
Минимальная толщина [мм] : 19,4
Поверхность : с покрытием
Тип тормозного диска : вентилируемый
Толщина тормозного диска (мм) : 22
Число отверстий в диске колеса : 5
Показать больше свойств
|
|
|
Тормозной диск
Вес [кг] : 5,15
Высота [мм] : 68,5
Диаметр [мм] : 300
Диаметр центрирования [мм] : 67,1
Колесная база : не для длинной базы автомобиля
Минимальная толщина [мм] : 8,3
Поверхность : с покрытием
Тип тормозного диска : полный
Толщина тормозного диска (мм) : 10
Число отверстий в диске колеса : 5
Показать больше свойств
|
|
|
Тормозной диск
Вес [кг] : 8,95
Высота [мм] : 64,5
Диаметр [мм] : 312
Диаметр центрирования [мм] : 67
Минимальная толщина [мм] : 25,4
Поверхность : с покрытием
Тип тормозного диска : вентилируемый
Толщина тормозного диска (мм) : 28
Число отверстий в диске колеса : 5
Показать больше свойств
|
|
|
Тормозной диск
Вес [кг] : 8,25
Высота [мм] : 54,5
Диаметр [мм] : 295
Диаметр центрирования [мм] : 67
Минимальная толщина [мм] : 25,4
Поверхность : с покрытием
Тип тормозного диска : вентилируемый
Толщина тормозного диска (мм) : 28
Число отверстий в диске колеса : 5
Показать больше свойств
|
|
|
Тормозной диск
Высота [мм] : 68
Диаметр [мм] : 300
Диаметр центрирования [мм] : 67
для артикула № : BS 8739
Дополнительный артикул / дополнительная информация 2 : с винтами
Количество отверстий : 5
Минимальная толщина [мм] : 19,4
Момент затяжки [Нм] : 130
Обработка : Высокоуглеродистый
Тип тормозного диска : с внутренней вентиляцией
Толщина тормозного диска (мм) : 22
Показать больше свойств
|
|
|
Тормозной диск
Высота [мм] : 54,5
Диаметр [мм] : 295
Диаметр центрирования [мм] : 67
для артикула № : BV 8502
Дополнительный артикул / дополнительная информация 2 : с винтами
Количество отверстий : 5
Минимальная толщина [мм] : 25,4
Момент затяжки [Нм] : 130
Обработка : Высокоуглеродистый
Поверхность : с покрытием
Тип тормозного диска : с внутренней вентиляцией
Толщина тормозного диска (мм) : 28
Показать больше свойств
|
|
|
Тормозной диск
Высота [мм] : 64,5
Диаметр [мм] : 312
Диаметр центрирования [мм] : 67
для артикула № : BV 8509
Дополнительный артикул / дополнительная информация 2 : с винтами
Количество отверстий : 5
Минимальная толщина [мм] : 25,4
Момент затяжки [Нм] : 130
Обработка : Высокоуглеродистый
Поверхность : с покрытием
Тип тормозного диска : с внутренней вентиляцией
Толщина тормозного диска (мм) : 28
Показать больше свойств
|
|
|
Тормозной диск
Вес [кг] : 7,1
Высота [мм] : 68
Диаметр [мм] : 300
Диаметр центрирования [мм] : 67
для артикула № : 89011661 Bolt
Минимальная толщина [мм] : 19,4
Тип тормозного диска : вентилируемый
Толщина тормозного диска (мм) : 22
Число отверстий в диске колеса : 5
Показать больше свойств
|
|
|
Тормозной диск
Вес [кг] : 5,15
Высота [мм] : 68,5
Диаметр [мм] : 300
Диаметр центрирования [мм] : 67,1
для артикула № : 89011661 Bolt
Колесная база : не для длинной базы автомобиля
Минимальная толщина [мм] : 8,3
Тип тормозного диска : полный
Толщина тормозного диска (мм) : 10
Число отверстий в диске колеса : 5
Показать больше свойств
|
|
|
Тормозной диск
Вес [кг] : 8,95
Высота [мм] : 64,5
Диаметр [мм] : 312
Диаметр центрирования [мм] : 67
для артикула № : 89011661 Bolt
Минимальная толщина [мм] : 25,4
Тип тормозного диска : вентилируемый
Толщина тормозного диска (мм) : 28
Число отверстий в диске колеса : 5
Показать больше свойств
|
|
|
Тормозной диск
Вес [кг] : 10,61
Высота [мм] : 64,5
Диаметр [мм] : 330
Диаметр центрирования [мм] : 67
Количество отверстий : 5
Минимальная толщина [мм] : 29,4
Сторона установки : Передний мост
Тип тормозного диска : вентилируемый
Толщина тормозного диска (мм) : 32
Показать больше свойств
|
|
|
Тормозной диск
Вес [кг] : 8,25
Высота [мм] : 54,5
Диаметр [мм] : 295
Диаметр центрирования [мм] : 67
Минимальная толщина [мм] : 25,4
Тип тормозного диска : вентилируемый
Толщина тормозного диска (мм) : 28
Число отверстий в диске колеса : 5
Показать больше свойств
|
|
|
Тормозной диск
Ø отверстия 1 [мм] : 15,3
Ø отверстия 2 [мм] : 9
Внутренний диаметр : 180
Высота [мм] : 68,3
Диаметр [мм] : 300
Диаметр отверстия [мм] : 15,3
Диаметр фаски 2 [мм] : 112
Диаметр центрирования [мм] : 67
Количество отверстий : 5
Минимальная толщина [мм] : 8,3
Поверхность : с покрытием
Сторона установки : Задний мост
Тип тормозного диска : полный
Толщина тормозного диска (мм) : 10
Число отверстий в диске колеса : 5
Показать больше свойств
|
|
|
Тормозной диск
Высота [мм] : 64,5
Диаметр [мм] : 312
Диаметр центрирования [мм] : 67
для артикула № : 24920 V
Дополнительный артикул / дополнительная информация 2 : с винтами
Количество отверстий : 5
Минимальная толщина [мм] : 25,4
Момент затяжки [Нм] : 130
Обработка : Высокоуглеродистый
Поверхность : с покрытием
Тип тормозного диска : с внутренней вентиляцией
Толщина тормозного диска (мм) : 28
Показать больше свойств
|
|
|
Тормозной диск
Высота [мм] : 68
Диаметр [мм] : 300
Диаметр центрирования [мм] : 67
для артикула № : 25130 V
Дополнительный артикул / дополнительная информация 2 : с винтами
Количество отверстий : 5
Минимальная толщина [мм] : 19,4
Момент затяжки [Нм] : 130
Обработка : Высокоуглеродистый
Поверхность : с покрытием
Тип тормозного диска : с внутренней вентиляцией
Толщина тормозного диска (мм) : 22
Показать больше свойств
|
|
|
Тормозной диск
Вес [кг] : 8,7
Высота [мм] : 65
Диаметр [мм] : 312
Диаметр ступицы 1 [мм] : 67
Минимальная толщина [мм] : 25,4
Тип тормозного диска : вентилируемый
Толщина тормозного диска (мм) : 28
Число отверстий в диске колеса : 5
Показать больше свойств
|
|
|
Тормозной диск
Вес [кг] : 17,91
Высота [мм] : 64,5
Диаметр [мм] : 312
Диаметр центрирования [мм] : 67
Дополнительный артикул / дополнительная информация 2 : с винтами
Количество отверстий : 5
Минимальная толщина [мм] : 25,4
Сторона установки : Передний мост
Тип тормозного диска : вентилируемый
Толщина тормозного диска (мм) : 28
Показать больше свойств
|
|
|
Тормозной диск
Вес [кг] : 14.320
Высота [мм] : 68,5
Диаметр [мм] : 300
Диаметр ступицы колеса [мм] : 67
Диаметр фаски 2 [мм] : 112
Исполнение моста : Rear
Минимальная толщина [мм] : 19,4
Номер технической информации : 78BD0910-2
Расположение/число отверстий : 5
Тип тормоза : Дисковой механизм
Тип тормозного диска : вентилируемый
Толщина [мм] : 22
Показать больше свойств
|
|
|
Тормозной диск
Вес [кг] : 23.680
Высота [мм] : 64,5
Диаметр [мм] : 330
Диаметр ступицы колеса [мм] : 67
Диаметр фаски 2 [мм] : 112
Исполнение моста : Front
Минимальная толщина [мм] : 29,4
Номер технической информации : 78BD2592-2
Расположение/число отверстий : 5
Тип тормоза : Дисковой механизм
Тип тормозного диска : вентилируемый
Толщина [мм] : 32
Показать больше свойств
|
|
|
Тормозной диск
Вес [кг] : 16,26
Высота [мм] : 54,5
Диаметр [мм] : 295
Диаметр центрирования [мм] : 67
Дополнительный артикул / дополнительная информация 2 : с винтами
Количество отверстий : 5
Минимальная толщина [мм] : 25,4
Сторона установки : Передний мост
Тип тормозного диска : вентилируемый
Толщина тормозного диска (мм) : 28
Показать больше свойств
|
|
|
Тормозной диск
для оригинального номера : 230 421 0812
Сторона установки : Передний мост
Тип тормозного диска : с отверстиями/с внутр. вентиляцией
|
|
|
Тормозной диск
Диаметр [мм] : 300
Диаметр фаски 2 [мм] : 112
для оригинального номера : 211 423 0912
Количество отверстий : 5
Сторона установки : Задний мост
Тип тормозного диска : с внутренней вентиляцией
Толщина тормозного диска (мм) : 22
Показать больше свойств
|
|
|
Тормозной диск
Диаметр [мм] : 295
Диаметр фаски 2 [мм] : 112
для оригинального номера : 211 421 0812
Количество отверстий : 5
Сторона установки : Передний мост
Тип тормозного диска : с внутренней вентиляцией
Толщина тормозного диска (мм) : 28
Показать больше свойств
|
|
|
Тормозной диск
Диаметр [мм] : 295
Диаметр фаски 2 [мм] : 112
для оригинального номера : 211 421 0712
Количество отверстий : 5
Сторона установки : Передний мост
Тип тормозного диска : с внутренней вентиляцией
Толщина тормозного диска (мм) : 28
Показать больше свойств
|
|
|
Тормозной диск
Вес [кг] : 8,82
Высота [мм] : 65
Диаметр [мм] : 312
Диаметр ступицы 1 [мм] : 67
Минимальная толщина [мм] : 25,4
Тип тормозного диска : вентилируемый
Толщина тормозного диска (мм) : 28
Число отверстий в диске колеса : 5
Показать больше свойств
|
|
|
Тормозной диск
Вес [кг] : 7,1
Высота [мм] : 68
Диаметр [мм] : 300
Диаметр центрирования [мм] : 67
для артикула № : 142.158
Количество отверстий : 5
Минимальная толщина [мм] : 19,4
Тип тормозного диска : с внутренней вентиляцией
Толщина тормозного диска (мм) : 22
Показать больше свойств
|
|
|
Тормозной диск
Вес [кг] : 7,25
Высота [мм] : 68
Диаметр [мм] : 300
Диаметр ступицы 1 [мм] : 67
Минимальная толщина [мм] : 19,4
Тип тормозного диска : вентилируемый
Толщина тормозного диска (мм) : 22
Число отверстий в диске колеса : 5
Показать больше свойств
|
|
|
Тормозной диск
Вес [кг] : 7,08
Высота [мм] : 68
Диаметр [мм] : 300
Диаметр ступицы 1 [мм] : 67
Минимальная толщина [мм] : 19,4
Тип тормозного диска : вентилируемый
Толщина тормозного диска (мм) : 22
Число отверстий в диске колеса : 5
Показать больше свойств
|
|
|
Тормозной диск
Сторона установки : Задний мост
|
|
|
Тормозной диск
Высота [мм] : 54,5
Диаметр [мм] : 295,5
Диаметр фаски 2 [мм] : 112
Количество отверстий : 5
Минимальная толщина [мм] : 25,4
Сторона установки : Передний мост
Тип тормозного диска : полный
Толщина тормозного диска (мм) : 28
Показать больше свойств
|
|
|
Тормозной диск
Внутренний диаметр : 154
Высота [мм] : 64,5
Диаметр [мм] : 330
Диаметр отверстия [мм] : 15
Диаметр фаски 2 [мм] : 112
Диаметр центрирования [мм] : 67
Количество отверстий : 5
Минимальная толщина [мм] : 30
Обработка : легированный/высокоуглеродистый
Поверхность : с покрытием
Сторона установки : Передний мост
Тип тормозного диска : с отверстиями/с внутр. вентиляцией
Толщина тормозного диска (мм) : 32
Показать больше свойств
|
|
|
Тормозной диск
Ø отверстия 1 [мм] : 15,3
Ø отверстия 2 [мм] : 9,2
Внутренний диаметр : 180
Высота [мм] : 65,5
Диаметр [мм] : 300
Диаметр отверстия [мм] : 15,3
Диаметр фаски 2 [мм] : 112
Диаметр центрирования [мм] : 67
Количество отверстий : 5
Минимальная толщина [мм] : 19,4
Поверхность : с покрытием
Сторона установки : Задний мост
Тип тормозного диска : вентилируемый
Толщина тормозного диска (мм) : 22
Число отверстий в диске колеса : 5
Показать больше свойств
|
|
|
Тормозной диск
Ø отверстия 1 [мм] : 15,3
Ø отверстия 2 [мм] : 9,25
Внутренний диаметр : 154
Высота [мм] : 64,5
Диаметр [мм] : 312
Диаметр отверстия [мм] : 15,3
Диаметр фаски 2 [мм] : 112
Диаметр центрирования [мм] : 67
Количество отверстий : 5
Минимальная толщина [мм] : 25,4
Обработка : легированный/высокоуглеродистый
Поверхность : с покрытием
Сторона установки : Передний мост
Тип тормозного диска : вентилируемый
Толщина тормозного диска (мм) : 28
Число отверстий в диске колеса : 5
Показать больше свойств
|
|
|
Тормозной диск
Ø отверстия 1 [мм] : 15,3
Ø отверстия 2 [мм] : 9,2
Внутренний диаметр : 154
Высота [мм] : 54,5
Диаметр [мм] : 295
Диаметр отверстия [мм] : 15,3
Диаметр фаски 2 [мм] : 112
Диаметр центрирования [мм] : 67
Количество отверстий : 5
Минимальная толщина [мм] : 25,4
Обработка : легированный/высокоуглеродистый
Поверхность : с покрытием
Сторона установки : Передний мост
Тип тормозного диска : вентилируемый
Толщина тормозного диска (мм) : 28
Число отверстий в диске колеса : 5
Показать больше свойств
|
|
|
Тормозной диск
Вес [кг] : 9,87
Высота [мм] : 64,5
Диаметр [мм] : 330
Диаметр центрирования [мм] : 67
для артикула № : 142.1203
Количество отверстий : 5
Минимальная толщина [мм] : 30
Тип тормозного диска : с отверстиями
Толщина тормозного диска (мм) : 32
Показать больше свойств
|
|
|
Тормозной диск
Вес [кг] : 8,28
Высота [мм] : 54,5
Диаметр [мм] : 295
Диаметр центрирования [мм] : 67
для артикула № : 142.386
Количество отверстий : 5
Минимальная толщина [мм] : 25,4
Тип тормозного диска : с внутренней вентиляцией
Толщина тормозного диска (мм) : 28
Показать больше свойств
|
|
|
Тормозной диск
Высота [мм] : 68
Диаметр [мм] : 300
Диаметр центрирования [мм] : 67
для артикула № : 25130
Дополнительный артикул / дополнительная информация 2 : с винтами
Количество отверстий : 5
Минимальная толщина [мм] : 19,4
Момент затяжки [Нм] : 130
Обработка : Высокоуглеродистый
Тип тормозного диска : с внутренней вентиляцией
Толщина тормозного диска (мм) : 22
Показать больше свойств
|
|
|
Тормозной диск
Вес [кг] : 7,1
Высота [мм] : 68
Диаметр [мм] : 300
Диаметр центрирования [мм] : 67
Количество отверстий : 5
Минимальная толщина [мм] : 19,4
проверочное значение : K.B.A.: 61209
Сторона установки : Задний мост
Тип тормозного диска : вентилируемый
Толщина тормозного диска (мм) : 22
Показать больше свойств
|
|
|
Тормозной диск
Высота [мм] : 64,5
Диаметр [мм] : 330
Диаметр центрирования [мм] : 67
для артикула № : 24975 V
Дополнительный артикул / дополнительная информация 2 : с винтами
Количество отверстий : 5
Минимальная толщина [мм] : 30
Момент затяжки [Нм] : 130
Обработка : Высокоуглеродистый
Поверхность : с покрытием
Тип тормозного диска : с отверстиями/с внутр. вентиляцией
Толщина тормозного диска (мм) : 32
Показать больше свойств
|
|
|
Тормозной диск
Высота [мм] : 64,5
Диаметр [мм] : 330
Диаметр центрирования [мм] : 67
для артикула № : 24975
Дополнительный артикул / дополнительная информация 2 : с винтами
Количество отверстий : 5
Минимальная толщина [мм] : 30
Момент затяжки [Нм] : 130
Обработка : Высокоуглеродистый
Тип тормозного диска : с отверстиями/с внутр. вентиляцией
Толщина тормозного диска (мм) : 32
Показать больше свойств
|
|
|
Тормозной диск
Ø отверстия 1 [мм] : 15,3
Ø отверстия 2 [мм] : 9,2
Внутренний диаметр : 154
Высота [мм] : 54,5
Диаметр [мм] : 295,5
Диаметр отверстия [мм] : 15,3
Диаметр фаски 2 [мм] : 112
Диаметр центрирования [мм] : 67
Количество отверстий : 5
Минимальная толщина [мм] : 25,4
Обработка : легированный/высокоуглеродистый
Поверхность : с покрытием
Сторона установки : Передний мост
Тип тормозного диска : вентилируемый
Толщина тормозного диска (мм) : 28
Число отверстий в диске колеса : 5
Показать больше свойств
|
|
|
Тормозной диск
Высота [мм] : 64,5
Диаметр [мм] : 312
Диаметр центрирования [мм] : 67
для артикула № : 24920
Дополнительный артикул / дополнительная информация 2 : с винтами
Количество отверстий : 5
Минимальная толщина [мм] : 25,4
Момент затяжки [Нм] : 130
Обработка : Высокоуглеродистый
Тип тормозного диска : с внутренней вентиляцией
Толщина тормозного диска (мм) : 28
Показать больше свойств
|
|
|
Тормозной диск
Высота [мм] : 54,5
Диаметр [мм] : 295
Диаметр центрирования [мм] : 67
для артикула № : 24897 V
Дополнительный артикул / дополнительная информация 2 : с винтами
Количество отверстий : 5
Минимальная толщина [мм] : 25,4
Момент затяжки [Нм] : 130
Обработка : Высокоуглеродистый
Поверхность : с покрытием
Тип тормозного диска : с внутренней вентиляцией
Толщина тормозного диска (мм) : 28
Показать больше свойств
|
|
|
Тормозной диск
Высота [мм] : 54,5
Диаметр [мм] : 295
Диаметр центрирования [мм] : 67
для артикула № : 24897 E
Дополнительный артикул / дополнительная информация 2 : с винтами
Количество отверстий : 5
Минимальная толщина [мм] : 25,4
Момент затяжки [Нм] : 130
Обработка : Высокоуглеродистый
Тип тормозного диска : с внутренней вентиляцией
Толщина тормозного диска (мм) : 28
Показать больше свойств
|
|
|
Тормозной диск
Высота [мм] : 68
Диаметр [мм] : 300
Диаметр барабана : 180
Диаметр фаски 2 [мм] : 105
Диаметр центрирования [мм] : 67
Количество отверстий : 5
Минимальная толщина [мм] : 19,4
Поверхность : лакированный
Размер резьбы : 15,3
Тип тормозного диска : вентилируемый
Толщина тормозного диска (мм) : 22
Цвет : черный
Показать больше свойств
|
|
|
Тормозной диск
Диаметр [мм] : 300
Диаметр фаски 2 [мм] : 67
Количественная единица : комплект
Количество отверстий : 5
Сторона установки : Задний мост
Тип тормозного диска : вентилируемый
Толщина тормозного диска (мм) : 22
Показать больше свойств
|
|
|
Тормозной диск
Высота [мм] : 64,5
Диаметр [мм] : 312
Диаметр фаски 2 [мм] : 112
Диаметр центрирования [мм] : 64
Количество отверстий : 5
Минимальная толщина [мм] : 25,4
Поверхность : лакированный
Размер резьбы : 15.3
Тип тормозного диска : вентилируемый
Толщина тормозного диска (мм) : 28
Цвет : черный
Показать больше свойств
|
|
|
Тормозной диск
Вес [кг] : 8,89
Высота [мм] : 64
Диаметр [мм] : 312
Диаметр центрирования [мм] : 67
для артикула № : 142.387
Количество отверстий : 5
Минимальная толщина [мм] : 25,4
Тип тормозного диска : с внутренней вентиляцией
Толщина тормозного диска (мм) : 28
Показать больше свойств
|
|
|
Тормозной диск
Высота [мм] : 54,5
Диаметр [мм] : 295,5
Диаметр фаски 2 [мм] : 112
Диаметр центрирования [мм] : 67
Количество отверстий : 5
Минимальная толщина [мм] : 25,4
Поверхность : лакированный
Размер резьбы : 15,3
Тип тормозного диска : вентилируемый
Толщина тормозного диска (мм) : 28
Цвет : черный
Показать больше свойств
|
|
|
Тормозной диск
Вес [кг] : 15.840
Высота [мм] : 55
Диаметр [мм] : 295
Диаметр ступицы колеса [мм] : 67
Диаметр фаски 2 [мм] : 112
Исполнение моста : Front
Минимальная толщина [мм] : 25,4
Номер технической информации : 78BD0812-2
Расположение/число отверстий : 5
Тип тормоза : Дисковой механизм
Тип тормозного диска : вентилируемый
Толщина [мм] : 28
Показать больше свойств
|
|
|
Тормозной диск
Высота [мм] : 64,5
Диаметр [мм] : 312
Диаметр фаски 2 [мм] : 112
Диаметр центрирования [мм] : 64
Количество отверстий : 5
Минимальная толщина [мм] : 25,4
Размер резьбы : 15.3
Тип тормозного диска : с отверстиями
Толщина тормозного диска (мм) : 28
Показать больше свойств
|
|
|
Тормозной диск
Высота [мм] : 68
Диаметр [мм] : 300
Диаметр центрирования [мм] : 67
Количество отверстий 1 : 5
Количество отверстий 2 : 1
Минимальная толщина [мм] : 19,4
Сторона установки : Задний мост
Тип тормозного диска : вентилируемый
Толщина тормозного диска (мм) : 22
Показать больше свойств
|
|
|
Тормозной диск
Диаметр [мм] : 300
Расположение/число отверстий : 6/5
Сторона установки : Задний мост
Тип тормозного диска : с внутренней вентиляцией
Толщина тормозного диска (мм) : 22
Показать больше свойств
|
|
|
Тормозной диск
Диаметр [мм] : 300
Расположение/число отверстий : 6/5
Сторона установки : Задний мост
Тип тормозного диска : с внутренней вентиляцией
Толщина тормозного диска (мм) : 22
Показать больше свойств
|
|
|
Тормозной диск
Высота [мм] : 68
Диаметр центрирования [мм] : 67
Количество крепежных отверстий : 1
Минимальная толщина [мм] : 19,4
Наружный диаметр [мм] : 300
Тип тормозного диска : вентилируемый
Толщина тормозного диска (мм) : 22
Число отверстий в диске колеса : 5
Показать больше свойств
|
|
|
Тормозной диск
Высота [мм] : 65,3
Диаметр центрирования [мм] : 67
Количество крепежных отверстий : 1
Минимальная толщина [мм] : 8,3
Момент затяжки [Нм] : 15
Наружный диаметр [мм] : 300
Тип тормозного диска : полный
Толщина тормозного диска (мм) : 10
Число отверстий в диске колеса : 5
Показать больше свойств
|
|
|
Тормозной диск
Высота [мм] : 54,5
Диаметр центрирования [мм] : 67
Количество крепежных отверстий : 1
Минимальная толщина [мм] : 25,4
Момент затяжки [Нм] : 15
Наружный диаметр [мм] : 295
Тип тормозного диска : вентилируемый
Толщина тормозного диска (мм) : 28
Число отверстий в диске колеса : 5
Показать больше свойств
|
|
|
Тормозной диск
Диаметр [мм] : 300
Диаметр фаски 2 [мм] : 67
Количественная единица : штука
Количество отверстий : 5
Сторона установки : Задний мост
Тип тормозного диска : вентилируемый
Толщина тормозного диска (мм) : 22
Показать больше свойств
|
|
|
Тормозной диск
Высота [мм] : 47,6
Диаметр [мм] : 303,9
Диаметр центрирования [мм] : 67
Количество отверстий : 5
Минимальная толщина [мм] : 28,4
Поверхность : лакированный
Тип тормозного диска : вентилируемый
Толщина тормозного диска (мм) : 30
Показать больше свойств
|
|
|
Тормозной диск
Диаметр [мм] : 295,5
Диаметр фаски 2 [мм] : 112
Количественная единица : штука
Количество отверстий : 5
Сторона установки : Передний мост
Тип тормозного диска : вентилируемый
Толщина тормозного диска (мм) : 28
Показать больше свойств
|
|
|
Тормозной диск
Внутренний диаметр : 154,2
Высота [мм] : 54,6
Диаметр [мм] : 295
Диаметр фаски 2 [мм] : 112
Диаметр центрирования [мм] : 67
Количество отверстий : 5
Минимальная толщина [мм] : 25,4
Размер резьбы : 15,30
Тип тормозного диска : с внутренней вентиляцией
Толщина тормозного диска (мм) : 28
Показать больше свойств
|
|
|
Тормозной диск
Вес [кг] : 8,25
Высота [мм] : 54,5
Диаметр [мм] : 295
Диаметр центрирования [мм] : 67
Минимальная толщина [мм] : 25,4
Тип тормозного диска : вентилируемый
Толщина тормозного диска (мм) : 28
Число отверстий в диске колеса : 5
Показать больше свойств
|
|
|
Тормозной диск
Высота [мм] : 68
Диаметр [мм] : 300
Диаметр фаски 2 [мм] : 105
Количество отверстий : 5
Сторона установки : Задний мост
Тип тормозного диска : вентилируемый
Толщина тормозного диска (мм) : 22
Показать больше свойств
|
|
|
Тормозной диск
Высота [мм] : 54,5
Диаметр [мм] : 296
Диаметр фаски 2 [мм] : 112
Количество отверстий : 5
Сторона установки : Передний мост
Тип тормозного диска : вентилируемый
Толщина тормозного диска (мм) : 28
Показать больше свойств
|
|
|
Тормозной диск
Внутренний диаметр : 158
Высота [мм] : 65,5
Диаметр [мм] : 300
Диаметр фаски 2 [мм] : 112
Диаметр центрирования [мм] : 67
Количество отверстий : 5
Минимальная толщина [мм] : 19,4
Размер резьбы : 15,30
Тип тормозного диска : с отверстиями
Толщина тормозного диска (мм) : 22
Показать больше свойств
|
|
|
Тормозной диск
Внутренний диаметр : 158
Высота [мм] : 65,5
Диаметр [мм] : 300
Диаметр фаски 2 [мм] : 112
Диаметр центрирования [мм] : 67
Количество отверстий : 5
Минимальная толщина [мм] : 19,4
Размер резьбы : 15,30
Тип тормозного диска : с внутренней вентиляцией
Толщина тормозного диска (мм) : 22
Показать больше свойств
|
|
|
Тормозной диск
Внутренний диаметр : 154,2
Высота [мм] : 64,5
Диаметр [мм] : 312
Диаметр фаски 2 [мм] : 112
Диаметр центрирования [мм] : 67
Количество отверстий : 5
Минимальная толщина [мм] : 25,4
Размер резьбы : 15,30
Тип тормозного диска : с отверстиями
Толщина тормозного диска (мм) : 28
Показать больше свойств
|
|
|
Тормозной диск
Внутренний диаметр : 154,2
Высота [мм] : 64,5
Диаметр [мм] : 312
Диаметр фаски 2 [мм] : 112
Диаметр центрирования [мм] : 67
Количество отверстий : 5
Минимальная толщина [мм] : 25,4
Размер резьбы : 15,30
Тип тормозного диска : с внутренней вентиляцией
Толщина тормозного диска (мм) : 28
Показать больше свойств
|
|
|
Тормозной диск
Внутренний диаметр : 154,2
Высота [мм] : 54,6
Диаметр [мм] : 295
Диаметр фаски 2 [мм] : 112
Диаметр центрирования [мм] : 67
Количество отверстий : 5
Минимальная толщина [мм] : 25,4
Размер резьбы : 15,30
Тип тормозного диска : с отверстиями
Толщина тормозного диска (мм) : 28
Показать больше свойств
|
|
|
Тормозной диск
Высота [мм] : 64,5
Диаметр [мм] : 312
Диаметр центрирования [мм] : 67
для артикула № : PB 2934
Количество отверстий : 5
Минимальная толщина [мм] : 25,4
Сторона установки : Передний мост
Тип тормозного диска : с внутренней вентиляцией
Толщина тормозного диска (мм) : 28
Показать больше свойств
|
|
|
Тормозной диск
Вес [кг] : 5,15
Высота [мм] : 68,5
Диаметр [мм] : 300
Диаметр центрирования [мм] : 67,1
для артикула № : 89011661 Bolt
Колесная база : не для длинной базы автомобиля
Минимальная толщина [мм] : 8,3
Тип тормозного диска : полный
Толщина тормозного диска (мм) : 10
Число отверстий в диске колеса : 5
Показать больше свойств
|
|
|
Тормозной диск
Внутренний диаметр : 154
Высота [мм] : 54,5
Диаметр [мм] : 295,5
Диаметр отверстия [мм] : 15,3
Диаметр фаски 2 [мм] : 112
Диаметр центрирования [мм] : 67
для артикула № : PB 2932
Количество отверстий : 5
Минимальная толщина [мм] : 25,4
Сторона установки : Передний мост
Тип тормозного диска : вентилируемый
Толщина тормозного диска (мм) : 28
Показать больше свойств
|
|
|
Тормозной диск
Вес [кг] : 7,12
Высота [мм] : 68
Диаметр [мм] : 300
Диаметр фаски 2 [мм] : 112
Диаметр центрирования [мм] : 67
Дополнительный артикул / дополнительная информация 2 : без ступицы
Количество болтов : 1
Минимальная толщина [мм] : 19,4
Номер технической информации : 54155PRO_HC_NA
Обработка : Высокоуглеродистый
Поверхность : с покрытием
Расположение/число отверстий : 05/06
Тип тормозного диска : с внутренней вентиляцией
Толщина тормозного диска (мм) : 22
Цвет : серебряный
Показать больше свойств
|
|
|
Тормозной диск
Вес [кг] : 7,98
Высота [мм] : 54,5
Диаметр [мм] : 295
Диаметр фаски 2 [мм] : 112
Диаметр центрирования [мм] : 67
Дополнительный артикул / дополнительная информация 2 : без ступицы
Количество болтов : 1
Минимальная толщина [мм] : 25,4
Номер технической информации : 54152PRO_HC_NA
Обработка : Высокоуглеродистый
Поверхность : с покрытием
Расположение/число отверстий : 05/06
Тип тормозного диска : с внутренней вентиляцией
Толщина тормозного диска (мм) : 28
Цвет : серебряный
Показать больше свойств
|
|
|
Тормозной диск
Вес [кг] : 7,12
Высота [мм] : 68
Диаметр [мм] : 300
Диаметр фаски 2 [мм] : 112
Диаметр центрирования [мм] : 67
Дополнительный артикул / дополнительная информация 2 : с винтами
Количество болтов : 1
Минимальная толщина [мм] : 19,4
Номер технической информации : 54155PRO_HC_B
Обработка : Высокоуглеродистый
Поверхность : с покрытием
Расположение/число отверстий : 05/06
Тип тормозного диска : с внутренней вентиляцией
Толщина тормозного диска (мм) : 22
Цвет : черный
Показать больше свойств
|
|
|
Тормозной диск
Вес [кг] : 10,1
Высота [мм] : 64,5
Диаметр [мм] : 330
Диаметр фаски 2 [мм] : 112
Диаметр центрирования [мм] : 67
Дополнительный артикул / дополнительная информация 2 : без ступицы
Количество болтов : 1
Минимальная толщина [мм] : 30
Номер технической информации : 54202PRO_HC_NA
Обработка : Высокоуглеродистый
Поверхность : с покрытием
Расположение/число отверстий : 05/06
Тип тормозного диска : с отверстиями/с внутр. вентиляцией
Толщина тормозного диска (мм) : 32
Цвет : серебряный
Показать больше свойств
|
|
|
Тормозной диск
Вес [кг] : 10,1
Высота [мм] : 64,5
Диаметр [мм] : 330
Диаметр фаски 2 [мм] : 112
Диаметр центрирования [мм] : 67
Дополнительный артикул / дополнительная информация 2 : без ступицы
Минимальная толщина [мм] : 30
Номер технической информации : 54202PRO
Поверхность : с покрытием
Расположение/число отверстий : 05/06
Тип тормозного диска : с отверстиями/с внутр. вентиляцией
Толщина тормозного диска (мм) : 32
Показать больше свойств
|
|
|
Тормозной диск
Вес [кг] : 7,12
Высота [мм] : 68
Диаметр [мм] : 300
Диаметр фаски 2 [мм] : 112
Диаметр центрирования [мм] : 67
Дополнительный артикул / дополнительная информация 2 : без ступицы
Минимальная толщина [мм] : 19,4
Номер технической информации : 54155PRO
Поверхность : с покрытием
Расположение/число отверстий : 05/06
Тип тормозного диска : с внутренней вентиляцией
Толщина тормозного диска (мм) : 22
Показать больше свойств
|
|
|
Тормозной диск
Вес [кг] : 7,12
Высота [мм] : 68
Диаметр [мм] : 300
Диаметр фаски 2 [мм] : 112
Диаметр центрирования [мм] : 67
Дополнительный артикул / дополнительная информация 2 : без ступицы
Минимальная толщина [мм] : 19,4
Номер технической информации : 54155
Расположение/число отверстий : 05/06
Тип тормозного диска : с внутренней вентиляцией
Толщина тормозного диска (мм) : 22
Показать больше свойств
|
|
|
Тормозной диск
Вес [кг] : 8,95
Высота [мм] : 64,5
Диаметр [мм] : 312
Диаметр центрирования [мм] : 67
для артикула № : 89011661 Bolt
Минимальная толщина [мм] : 25,4
Тип тормозного диска : вентилируемый
Толщина тормозного диска (мм) : 28
Число отверстий в диске колеса : 5
Показать больше свойств
|
|
|
Тормозной диск
Вес [кг] : 7,1
Высота [мм] : 68
Диаметр [мм] : 300
Диаметр центрирования [мм] : 67
для артикула № : 89011661 Bolt
Минимальная толщина [мм] : 19,4
Тип тормозного диска : вентилируемый
Толщина тормозного диска (мм) : 22
Число отверстий в диске колеса : 5
Показать больше свойств
|
|
|
Тормозной диск
Высота [мм] : 68,5
Диаметр [мм] : 300
Диаметр центрирования [мм] : 67
Количество отверстий : 5
Минимальная толщина [мм] : 8
Тип тормозного диска : полный
Толщина тормозного диска (мм) : 10
Показать больше свойств
|
|
|
Тормозной диск
Внутренний диаметр : 180
Высота [мм] : 68
Диаметр [мм] : 300
Диаметр отверстия [мм] : 15,3
Диаметр фаски 2 [мм] : 112
Диаметр центрирования [мм] : 67
Количество отверстий : 5
Минимальная толщина [мм] : 19,4
Сторона установки : Задний мост
Тип тормозного диска : вентилируемый
Толщина тормозного диска (мм) : 22
Показать больше свойств
|
|
|
Тормозной диск
Высота [мм] : 68,5
Диаметр [мм] : 300
Диаметр ступицы колеса [мм] : 67
Диаметр фаски 2 [мм] : 112
Исполнение моста : Rear
Минимальная толщина [мм] : 19,4
Номер технической информации : 78RBD20910
Расположение/число отверстий : 5
Тип тормоза : Дисковой механизм
Тип тормозного диска : вентилируемый
Толщина [мм] : 22
Показать больше свойств
|
|
|
Тормозной диск
Высота [мм] : 55
Диаметр [мм] : 295
Диаметр ступицы колеса [мм] : 67
Диаметр фаски 2 [мм] : 112
Исполнение моста : Front
Минимальная толщина [мм] : 25,4
Номер технической информации : 78RBD20812
Расположение/число отверстий : 5
Тип тормоза : Дисковой механизм
Тип тормозного диска : вентилируемый
Толщина [мм] : 28
Показать больше свойств
|
|
|
Тормозной диск
Вес [кг] : 7,66
Высота [мм] : 54,5
Диаметр отверстия [мм] : 15
Диаметр фаски 2 [мм] : 112
Диаметр центрирования [мм] : 67
Количество крепежных отверстий : 5
Количество отверстий : 5
Минимальная толщина [мм] : 25,4
Наружный диаметр [мм] : 295
Тип тормозного диска : вентилируемый
Толщина тормозного диска (мм) : 28
Показать больше свойств
|
|
|
Тормозной диск
Вес [кг] : 7,38
Высота [мм] : 65,6
Диаметр отверстия [мм] : 15,2
Диаметр фаски 2 [мм] : 112
Диаметр центрирования [мм] : 67
Количество крепежных отверстий : 5
Количество отверстий : 5
Минимальная толщина [мм] : 19,4
Наружный диаметр [мм] : 300
Тип тормозного диска : вентилируемый
Толщина тормозного диска (мм) : 22
Показать больше свойств
|
|
|
Тормозной диск
Вес [кг] : 9,38
Высота [мм] : 64,6
Диаметр отверстия [мм] : 15,2
Диаметр фаски 2 [мм] : 112
Диаметр центрирования [мм] : 67
Количество крепежных отверстий : 5
Количество отверстий : 5
Минимальная толщина [мм] : 25,4
Наружный диаметр [мм] : 312
Тип тормозного диска : вентилируемый
Толщина тормозного диска (мм) : 28
Показать больше свойств
|
|
|
Тормозной диск
Внутренний диаметр : 154
Высота [мм] : 54,5
Диаметр [мм] : 295
Диаметр отверстия [мм] : 15,3
Диаметр фаски 2 [мм] : 112
Диаметр центрирования [мм] : 67
Количество отверстий : 5
Минимальная толщина [мм] : 25,4
Обработка : легированный/высокоуглеродистый
Поверхность : с покрытием
Сторона установки : Передний мост
Тип тормозного диска : вентилируемый
Толщина тормозного диска (мм) : 28
Показать больше свойств
|
|
|
Тормозной диск
Внутренний диаметр : 154
Высота [мм] : 54,5
Диаметр [мм] : 295
Диаметр отверстия [мм] : 15,3
Диаметр фаски 2 [мм] : 112
Диаметр центрирования [мм] : 67
Количество отверстий : 5
Минимальная толщина [мм] : 25,4
Обработка : легированный/высокоуглеродистый
Поверхность : с покрытием
Сторона установки : Передний мост
Тип тормозного диска : вентилируемый
Толщина тормозного диска (мм) : 28
Показать больше свойств
|
|
|
Тормозной диск
Внутренний диаметр : 154
Высота [мм] : 54,5
Диаметр [мм] : 295
Диаметр отверстия [мм] : 15,3
Диаметр фаски 2 [мм] : 112
Диаметр центрирования [мм] : 67
Количество отверстий : 5
Минимальная толщина [мм] : 25,4
Обработка : легированный/высокоуглеродистый
Поверхность : с покрытием
Сторона установки : Передний мост
Тип тормозного диска : вентилируемый
Толщина тормозного диска (мм) : 28
Показать больше свойств
|
|
|
Тормозной диск
Внутренний диаметр : 180
Высота [мм] : 68
Диаметр [мм] : 300
Диаметр отверстия [мм] : 15,3
Диаметр фаски 2 [мм] : 112
Диаметр центрирования [мм] : 67
Количество отверстий : 5
Минимальная толщина [мм] : 19,4
Сторона установки : Задний мост
Тип тормозного диска : вентилируемый
Толщина тормозного диска (мм) : 22
Показать больше свойств
|
|
|
Тормозной диск
Вес [кг] : 7,1
Диаметр фаски 2 [мм] : 112
Минимальная толщина [мм] : 19,4
Наружный диаметр [мм] : 300
необходимое количество : 2
Сторона установки : Задний мост
Тип тормозного диска : с внутренней вентиляцией
Толщина [мм] : 65,6
Толщина тормозного диска (мм) : 22
Число отверстий в диске колеса : 5
Показать больше свойств
|
|
|
Тормозной диск
Внутренний диаметр : 180
Высота [мм] : 68
Диаметр [мм] : 300
Диаметр отверстия [мм] : 15,3
Диаметр фаски 2 [мм] : 112
Диаметр центрирования [мм] : 67
Количество отверстий : 5
Минимальная толщина [мм] : 19,4
Сторона установки : Задний мост
Тип тормозного диска : вентилируемый
Толщина тормозного диска (мм) : 22
Показать больше свойств
|
|
|
Тормозной диск
Вес [кг] : 8
Высота [мм] : 54,5
Диаметр [мм] : 295,2
Диаметр фаски 2 [мм] : 112
Диаметр центрирования [мм] : 67
Количество отверстий : 5
Минимальная толщина [мм] : 25,4
Размер резьбы : 15,3
Сторона установки : Передний мост
Тип тормозного диска : вентилируемый
Толщина тормозного диска (мм) : 28
Показать больше свойств
|
|
|
Тормозной диск
Высота [мм] : 68
Диаметр [мм] : 300
Диаметр барабана : 180
Диаметр фаски 2 [мм] : 105
Диаметр центрирования [мм] : 67
Количество отверстий : 5
Минимальная толщина [мм] : 19,4
Размер резьбы : 15,3
Тип тормозного диска : с внутренней вентиляцией
Толщина тормозного диска (мм) : 22
Показать больше свойств
|
|
|
Тормозной диск
Высота [мм] : 64,5
Диаметр [мм] : 312
Диаметр фаски 2 [мм] : 112
Диаметр центрирования [мм] : 64
Количество отверстий : 5
Минимальная толщина [мм] : 25,4
Размер резьбы : 15.3
Тип тормозного диска : с внутренней вентиляцией
Толщина тормозного диска (мм) : 28
Показать больше свойств
|
|
|
Тормозной диск
Высота [мм] : 54,5
Диаметр [мм] : 295,5
Диаметр фаски 2 [мм] : 112
Диаметр центрирования [мм] : 67
Количество отверстий : 5
Минимальная толщина [мм] : 25,4
Размер резьбы : 15,3
Тип тормозного диска : с внутренней вентиляцией
Толщина тормозного диска (мм) : 28
Показать больше свойств
|
|
|
Тормозной диск
Диаметр [мм] : 295
Количество отверстий : 5
Минимальная толщина [мм] : 26
Момент затяжки [Нм] : 12
Сторона установки : Передний мост
Тип тормозного диска : вентилируемый
Толщина тормозного диска (мм) : 28
Показать больше свойств
|
|
|
Тормозной диск
Диаметр [мм] : 300
Диаметр фаски 2 [мм] : 67
Дополнительный артикул / дополнительная информация 2 : с винтами
Количество отверстий : 5
Сторона установки : Задний мост
Тип тормозного диска : вентилируемый
Толщина тормозного диска (мм) : 22
Показать больше свойств
|
|
|
Тормозной диск
Высота [мм] : 54,5
Диаметр [мм] : 295,2
Диаметр фаски 2 [мм] : 112
Диаметр центрирования [мм] : 67
Количество отверстий : 6
Минимальная толщина [мм] : 25,4
Сторона установки : Передний мост
Тип тормозного диска : с внутренней вентиляцией
Толщина тормозного диска (мм) : 28
Показать больше свойств
|
|
|
Тормозной диск
Вес [кг] : 7,98
Высота [мм] : 54,5
Диаметр [мм] : 295
Диаметр фаски 2 [мм] : 112
Диаметр центрирования [мм] : 67
Дополнительный артикул / дополнительная информация 2 : без ступицы
Минимальная толщина [мм] : 25,4
Номер технической информации : 54152PRO
Поверхность : с покрытием
Расположение/число отверстий : 05/06
Тип тормозного диска : с внутренней вентиляцией
Толщина тормозного диска (мм) : 28
Показать больше свойств
|
|
|
Тормозной диск
Высота [мм] : 54,5
Диаметр [мм] : 295
Диаметр центрирования [мм] : 67
Количество отверстий : 5
Минимальная толщина [мм] : 25
Тип тормозного диска : вентилируемый
Толщина тормозного диска (мм) : 28
Показать больше свойств
|
|
|
Тормозной диск
Диаметр [мм] : 295,5
Диаметр фаски 2 [мм] : 112
Количественная единица : комплект
Количество отверстий : 5
Сторона установки : Передний мост
Тип тормозного диска : вентилируемый
Толщина тормозного диска (мм) : 28
Показать больше свойств
|
|
|
Тормозной диск
Высота [мм] : 64,5
Диаметр [мм] : 329,7
Диаметр центрирования [мм] : 67
Количество отверстий : 5
Минимальная толщина [мм] : 30
Поверхность : лакированный
Толщина тормозного диска (мм) : 32
Показать больше свойств
|
|
|
Тормозной диск
Диаметр [мм] : 300
Диаметр ступицы колеса [мм] : 67
Минимальная толщина [мм] : 19,4
Тип тормозного диска : с внутренней вентиляцией
Толщина тормозного диска (мм) : 22
Число отверстий : 5
Показать больше свойств
|
|
|
Тормозной диск
Диаметр [мм] : 300
Диаметр ступицы колеса [мм] : 67
Минимальная толщина [мм] : 8,3
Тип тормозного диска : полный
Толщина тормозного диска (мм) : 10
Число отверстий : 5
Показать больше свойств
|
|
|
Тормозной диск
Высота [мм] : 54,7
Диаметр фаски 2 [мм] : 112
Диаметр центрирования [мм] : 67
Количество отверстий : 5
Минимальная толщина [мм] : 25,4
Наружный диаметр [мм] : 295
Сторона установки : Передний мост
Тип тормозного диска : вентилируемый
Толщина тормозного диска (мм) : 28
Показать больше свойств
|
|
|
Тормозной диск
Внутренний диаметр : 154,2
Высота [мм] : 54,5
Диаметр [мм] : 295
Диаметр отверстия [мм] : 15,3
Диаметр фаски 2 [мм] : 112
Диаметр центрирования [мм] : 67
Количество отверстий : 5
Минимальная толщина [мм] : 25,4
Тип тормозного диска : вентилируемый
Толщина тормозного диска (мм) : 28
Показать больше свойств
|
|
|
Тормозной диск
Высота [мм] : 68
Диаметр [мм] : 300
Диаметр барабана : 180
Диаметр фаски 2 [мм] : 105
Диаметр центрирования [мм] : 67
Количество отверстий : 5
Минимальная толщина [мм] : 19,4
Размер резьбы : 15,3
Тип тормозного диска : вентилируемый
Толщина тормозного диска (мм) : 22
Показать больше свойств
|
|
|
Тормозной диск
Высота [мм] : 64,5
Диаметр [мм] : 312
Диаметр фаски 2 [мм] : 112
Диаметр центрирования [мм] : 64
Количество отверстий : 5
Минимальная толщина [мм] : 25,4
Размер резьбы : 15.3
Тип тормозного диска : вентилируемый
Толщина тормозного диска (мм) : 28
Показать больше свойств
|
|
|
Тормозной диск
Высота [мм] : 54,5
Диаметр [мм] : 295,5
Диаметр фаски 2 [мм] : 112
Диаметр центрирования [мм] : 67
Количество отверстий : 5
Минимальная толщина [мм] : 25,4
Размер резьбы : 15,3
Тип тормозного диска : вентилируемый
Толщина тормозного диска (мм) : 28
Показать больше свойств
|
|
|
Тормозной диск
Высота [мм] : 47,6
Диаметр [мм] : 303,9
Диаметр центрирования [мм] : 67
Количество отверстий : 5
Минимальная толщина [мм] : 28,4
Поверхность : лакированный
Тип тормозного диска : с отверстиями/с внутр. вентиляцией
Толщина тормозного диска (мм) : 30
Показать больше свойств
|
|
|
Тормозной диск
Вес [кг] : 5,11
Высота [мм] : 68,3
Диаметр [мм] : 300
Диаметр центрирования [мм] : 67,1
Количество отверстий : 5
Минимальная толщина [мм] : 8,3
проверочное значение : K.B.A.: 61210
Сторона установки : Задний мост
Тип тормозного диска : полный
Толщина тормозного диска (мм) : 10
Показать больше свойств
|
|
|
Тормозной диск
Высота [мм] : 68,4
Диаметр [мм] : 300
Диаметр ступицы колеса [мм] : 67
Минимальная толщина [мм] : 19,4
Обработка : Высокоуглеродистый
Тип тормозного диска : с внутренней вентиляцией
Толщина тормозного диска (мм) : 22,2
Число отверстий в диске колеса : 5
Показать больше свойств
|
|
|
Тормозной диск
Высота [мм] : 54,5
Диаметр [мм] : 295,5
Диаметр центрирования [мм] : 67
Количество отверстий : 5
Минимальная толщина [мм] : 25,4
Поверхность : лакированный
Тип тормозного диска : вентилируемый
Толщина тормозного диска (мм) : 28
Показать больше свойств
|
|
|
Тормозной диск
Высота [мм] : 68
Диаметр [мм] : 300
Диаметр центрирования [мм] : 67
Количество отверстий : 5
Минимальная толщина [мм] : 19,4
Поверхность : лакированный
Тип тормозного диска : вентилируемый
Толщина тормозного диска (мм) : 22
Показать больше свойств
|
|
|
Тормозной диск
Вес [кг] : 5,11
Высота [мм] : 68,3
Диаметр [мм] : 300
Диаметр центрирования [мм] : 67,1
Количество отверстий : 5
Минимальная толщина [мм] : 8,3
проверочное значение : K.B.A.: 61210
Сторона установки : Задний мост
Тип тормозного диска : полный
Толщина тормозного диска (мм) : 10
Показать больше свойств
|
|
|
Тормозной диск
Вес [кг] : 7,1
Высота [мм] : 68
Диаметр [мм] : 300
Диаметр центрирования [мм] : 67
Количество отверстий : 5
Минимальная толщина [мм] : 19,4
проверочное значение : K.B.A.: 61209
Сторона установки : Задний мост
Тип тормозного диска : вентилируемый
Толщина тормозного диска (мм) : 22
Показать больше свойств
|
|
|
Тормозной диск
Вес [кг] : 8,25
Высота [мм] : 54,5
Диаметр [мм] : 295,2
Диаметр центрирования [мм] : 67
Количество отверстий : 5
Минимальная толщина [мм] : 25,4
проверочное значение : K.B.A.: 61209
Сторона установки : Передний мост
Тип тормозного диска : вентилируемый
Толщина тормозного диска (мм) : 28
Показать больше свойств
|
|
|
Тормозной диск
Вес [кг] : 10,61
Высота [мм] : 64,5
Диаметр [мм] : 330
Диаметр центрирования [мм] : 67
Количество отверстий : 5
Минимальная толщина [мм] : 29,4
Сторона установки : Передний мост
Тип тормозного диска : вентилируемый
Толщина тормозного диска (мм) : 32
Показать больше свойств
|
|
|
Тормозной диск
Высота [мм] : 54,5
Диаметр [мм] : 295
Диаметр фаски 2 [мм] : 112
Количественная единица : комплект
Количество отверстий : 5
Сторона установки : Передний мост
Тип тормозного диска : вентилируемый
Толщина тормозного диска (мм) : 28
Показать больше свойств
|
|
|
Тормозной диск
Высота [мм] : 54,5
Диаметр [мм] : 295
Диаметр фаски 2 [мм] : 112
Количественная единица : штука
Количество отверстий : 5
Сторона установки : Передний мост
Тип тормозного диска : вентилируемый
Толщина тормозного диска (мм) : 28
Показать больше свойств
|
|
|
Тормозной диск
Высота [мм] : 55
Диаметр [мм] : 295
Диаметр ступицы колеса [мм] : 67
Минимальная толщина [мм] : 25,4
Обработка : Высокоуглеродистый
Поверхность : с покрытием
Тип тормозного диска : с внутренней вентиляцией
Толщина тормозного диска (мм) : 28
Цвет : черный
Число отверстий в диске колеса : 5
Показать больше свойств
|
|
|
Тормозной диск
Высота [мм] : 54,5
Диаметр фаски 2 [мм] : 112
Диаметр центрирования [мм] : 67
Количество отверстий : 5
Минимальная толщина [мм] : 25,4
Наружный диаметр [мм] : 295,2
Поверхность : с покрытием
Сторона установки : Передний мост
Тип тормозного диска : с внутренней вентиляцией
Толщина тормозного диска (мм) : 28
Число отверстий : 1
Показать больше свойств
|
|
|
Тормозной диск
Диаметр центрирования [мм] : 67
для тормозного диска диаметром [мм] : 330
Количество крепежных отверстий : 5
Минимальная толщина [мм] : 29,4
Общая высота [мм] : 64
Тип тормозного диска : с отверстиями
Толщина тормозного диска (мм) : 32
Показать больше свойств
|
|
|
Тормозной диск
Высота [мм] : 64,5
Диаметр [мм] : 312
Диаметр центрирования [мм] : 67
Дополнительный артикул / дополнительная информация 2 : с винтами
Количество отверстий : 5
Минимальная толщина [мм] : 25,4
Обработка : Высокоуглеродистый
Тип тормозного диска : вентилируемый
Толщина [мм] : 28
Толщина тормозного диска (мм) : 28
Показать больше свойств
|
|
|
Тормозной диск
Диаметр центрирования [мм] : 67
для тормозного диска диаметром [мм] : 295
Количество крепежных отверстий : 5
Минимальная толщина [мм] : 25,4
Общая высота [мм] : 54
Тип тормозного диска : вентилируемый
Толщина тормозного диска (мм) : 28
Показать больше свойств
|
|
|
Тормозной диск
Диаметр центрирования [мм] : 67
для тормозного диска диаметром [мм] : 300
Количество крепежных отверстий : 5
Минимальная толщина [мм] : 19,4
Общая высота [мм] : 66
Тип тормозного диска : вентилируемый
Толщина тормозного диска (мм) : 22
Показать больше свойств
|
|
|
Тормозной диск
Высота [мм] : 54,5
Диаметр [мм] : 295
Диаметр центрирования [мм] : 67
Дополнительный артикул / дополнительная информация 2 : с винтами
Количество отверстий : 5
Материал : бумага
Минимальная толщина [мм] : 25,4
Момент затяжки [Нм] : 15
Тип тормозного диска : с внутренней вентиляцией
Толщина тормозного диска (мм) : 28
Показать больше свойств
|
|
|
Тормозной диск
Высота [мм] : 64,5
Диаметр [мм] : 312
Диаметр центрирования [мм] : 67
Дополнительный артикул / дополнительная информация 2 : с винтами
Количество отверстий : 5
Материал : бумага
Минимальная толщина [мм] : 25,4
Тип тормозного диска : с внутренней вентиляцией
Толщина тормозного диска (мм) : 28
Показать больше свойств
|
|
|
Тормозной диск
Ø фаски 1 [мм] : 112
Диаметр ступицы 1 [мм] : 67
Количество отверстий : 5
Сторона установки : Передний мост
Тип тормозного диска : вентилируемый
Толщина тормозного диска (мм) : 28
Показать больше свойств
|
|
|
Тормозной диск
Ø фаски 1 [мм] : 112
Диаметр ступицы 1 [мм] : 67
Количество отверстий : 1
Сторона установки : Задний мост
Тип тормозного диска : вентилируемый
Толщина тормозного диска (мм) : 22
Показать больше свойств
|
|
|
Тормозной диск
Вес [кг] : 16,26
Высота [мм] : 54,5
Диаметр [мм] : 295
Диаметр центрирования [мм] : 67
Дополнительный артикул / дополнительная информация 2 : без винтов
Количество отверстий : 5
Минимальная толщина [мм] : 25,4
Сторона установки : Передний мост
Тип тормозного диска : вентилируемый
Толщина тормозного диска (мм) : 28
Показать больше свойств
|
|
|
Тормозной диск
Внутренний диаметр : 180
Высота [мм] : 65,5
Диаметр [мм] : 300
Диаметр отверстия [мм] : 15,3
Диаметр фаски 2 [мм] : 112
Диаметр центрирования [мм] : 67
Количество отверстий : 5
Минимальная толщина [мм] : 19,4
Поверхность : с покрытием
Тип тормозного диска : вентилируемый
Толщина тормозного диска (мм) : 22
Показать больше свойств
|
|
|
Тормозной диск
Внутренний диаметр : 154
Высота [мм] : 64,5
Диаметр [мм] : 330
Диаметр отверстия [мм] : 15
Диаметр фаски 2 [мм] : 112
Диаметр центрирования [мм] : 67
Дополнительный артикул / дополнительная информация 2 : с винтами
Количество отверстий : 5
Минимальная толщина [мм] : 30
Обработка : легированный/высокоуглеродистый
Поверхность : с покрытием
Тип тормозного диска : с отверстиями/с внутр. вентиляцией
Толщина тормозного диска (мм) : 32
Показать больше свойств
|
|
|
Тормозной диск
Высота [мм] : 64,5
Диаметр фаски 2 [мм] : 112
Диаметр центрирования [мм] : 67
Количество отверстий : 5
Минимальная толщина [мм] : 25,4
Наружный диаметр [мм] : 312
Сторона установки : Передний мост
Тип тормозного диска : с внутренней вентиляцией
Толщина тормозного диска (мм) : 28
Число отверстий : 1
Показать больше свойств
|
|
|
Тормозной диск
Внутренний диаметр : 154
Высота [мм] : 54,5
Диаметр [мм] : 295
Диаметр отверстия [мм] : 15,3
Диаметр фаски 2 [мм] : 112
Диаметр центрирования [мм] : 67
Количество отверстий : 5
Минимальная толщина [мм] : 25,4
Обработка : легированный/высокоуглеродистый
Поверхность : с покрытием
Тип тормозного диска : вентилируемый
Толщина тормозного диска (мм) : 28
Показать больше свойств
|
|
|
Тормозной диск
Диаметр [мм] : 330
Диаметр центрирования [мм] : 67
для тормозного диска толщиной [мм] : 32
Минимальная толщина [мм] : 30
Общая высота [мм] : 64,5
Расположение/число отверстий : 5H
Тип тормозного диска : вентилируемый
Показать больше свойств
|
|
|
Тормозной диск
Диаметр [мм] : 300
Диаметр центрирования [мм] : 67
для тормозного диска толщиной [мм] : 22
Минимальная толщина [мм] : 19,4
Общая высота [мм] : 65,6
Расположение/число отверстий : 5H
Тип тормозного диска : вентилируемый
Показать больше свойств
|
|
|
Тормозной диск
Диаметр [мм] : 295
Диаметр центрирования [мм] : 67
для тормозного диска толщиной [мм] : 28
Минимальная толщина [мм] : 25,5
Общая высота [мм] : 54,5
Расположение/число отверстий : 5H
Тип тормозного диска : вентилируемый
Показать больше свойств
|
|
|
Тормозной диск
Диаметр [мм] : 312
Диаметр центрирования [мм] : 67
для тормозного диска толщиной [мм] : 28
Минимальная толщина [мм] : 25,4
Общая высота [мм] : 64,5
Расположение/число отверстий : 5H
Тип тормозного диска : вентилируемый
Показать больше свойств
|
|
|
Тормозной диск
Высота [мм] : 64,5
Диаметр [мм] : 312
Диаметр центрирования [мм] : 67
для артикула № : 628.1857
Дополнительный артикул / дополнительная информация 2 : с винтами
Количество отверстий : 5
Минимальная толщина [мм] : 25,4
Обработка : Высокоуглеродистый
Тип тормозного диска : с внутренней вентиляцией
Толщина тормозного диска (мм) : 28
Показать больше свойств
|
|
|
Тормозной диск
Высота [мм] : 54,5
Диаметр [мм] : 295
Диаметр центрирования [мм] : 67
для артикула № : 628.1804
Дополнительный артикул / дополнительная информация 2 : с винтами
Количество отверстий : 5
Минимальная толщина [мм] : 25,4
Момент затяжки [Нм] : 15
Обработка : Высокоуглеродистый
Тип тормозного диска : с внутренней вентиляцией
Толщина тормозного диска (мм) : 28
Показать больше свойств
|
|
|
Тормозной диск
Высота [мм] : 54,5
Диаметр центрирования [мм] : 67
Количество отверстий : 5
Минимальная толщина [мм] : 25,4
Наружный диаметр [мм] : 295
Сторона установки : Передний мост
Техника присоединения : 295x28x25.4
Тип тормозного диска : с внутренней вентиляцией
Толщина тормозного диска (мм) : 28
Число отверстий : 1
Показать больше свойств
|
|
|
Тормозной диск
Высота [мм] : 65,6
Диаметр фаски 2 [мм] : 112
Диаметр центрирования [мм] : 67
Количество отверстий : 5
Минимальная толщина [мм] : 19,4
Наружный диаметр [мм] : 300
Сторона установки : Задний мост
Тип тормозного диска : с внутренней вентиляцией
Толщина тормозного диска (мм) : 22
Число отверстий : 1
Показать больше свойств
|
|
|
Тормозной диск
Вес [кг] : 10,61
Высота [мм] : 64,5
Диаметр [мм] : 330
Диаметр центрирования [мм] : 67
Количество отверстий : 5
Минимальная толщина [мм] : 29,4
Сторона установки : Передний мост
Тип тормозного диска : вентилируемый
Толщина тормозного диска (мм) : 32
Показать больше свойств
|
|
|
Тормозной диск
Высота [мм] : 55
Диаметр [мм] : 295
Диаметр отверстия [мм] : 15
Диаметр фаски 2 [мм] : 67
для оригинального номера : 2114210712
Дополнительный артикул / дополнительная информация 2 : без валового подшипника
Количество отверстий : 5
Минимальная толщина [мм] : 26
Сторона установки : Передний мост
Тип тормозного диска : с внутренней вентиляцией
Толщина тормозного диска (мм) : 28
Показать больше свойств
|
|
|
Тормозной диск
Вес [кг] : 7,1
Высота [мм] : 68
Диаметр [мм] : 300
Диаметр центрирования [мм] : 67
Количество отверстий : 5
Минимальная толщина [мм] : 19,4
проверочное значение : K.B.A.: 61209
Сторона установки : Задний мост
Тип тормозного диска : вентилируемый
Толщина тормозного диска (мм) : 22
Показать больше свойств
|
|
|
Тормозной диск
Высота [мм] : 68
Диаметр [мм] : 300
Диаметр ступицы 1 [мм] : 67
Минимальная толщина [мм] : 19,4
ограничение производителя : BREMBO
Сторона установки : Задний мост
Тип тормозного диска : вентилируемый
Толщина тормозного диска (мм) : 22
Число отверстий в диске колеса : 5
Показать больше свойств
|
|
|
Тормозной диск
Вес [кг] : 7,98
Высота [мм] : 54,5
Диаметр [мм] : 295
Диаметр фаски 2 [мм] : 112
Диаметр центрирования [мм] : 67
Дополнительный артикул / дополнительная информация 2 : без ступицы
Количество болтов : 1
Минимальная толщина [мм] : 25,4
Номер технической информации : 54152PRO_HC_NA
Обработка : Высокоуглеродистый
Поверхность : с покрытием
Расположение/число отверстий : 05/06
Тип тормозного диска : с внутренней вентиляцией
Толщина тормозного диска (мм) : 28
Цвет : серебряный
Показать больше свойств
|
|
|
Тормозной диск
Вес [кг] : 7,12
Высота [мм] : 68
Диаметр [мм] : 300
Диаметр фаски 2 [мм] : 112
Диаметр центрирования [мм] : 67
Дополнительный артикул / дополнительная информация 2 : с винтами
Количество болтов : 1
Минимальная толщина [мм] : 19,4
Номер технической информации : 54155PRO_HC_B
Обработка : Высокоуглеродистый
Поверхность : с покрытием
Расположение/число отверстий : 05/06
Тип тормозного диска : с внутренней вентиляцией
Толщина тормозного диска (мм) : 22
Цвет : черный
Показать больше свойств
|
|
|
Тормозной диск
Вес [кг] : 10,1
Высота [мм] : 64,5
Диаметр [мм] : 330
Диаметр фаски 2 [мм] : 112
Диаметр центрирования [мм] : 67
Дополнительный артикул / дополнительная информация 2 : без ступицы
Количество болтов : 1
Минимальная толщина [мм] : 30
Номер технической информации : 54202PRO_HC_NA
Обработка : Высокоуглеродистый
Поверхность : с покрытием
Расположение/число отверстий : 05/06
Тип тормозного диска : с отверстиями/с внутр. вентиляцией
Толщина тормозного диска (мм) : 32
Цвет : серебряный
Показать больше свойств
|
|
|
Тормозной диск
Вес [кг] : 10,1
Высота [мм] : 64,5
Диаметр [мм] : 330
Диаметр фаски 2 [мм] : 112
Диаметр центрирования [мм] : 67
Дополнительный артикул / дополнительная информация 2 : без ступицы
Минимальная толщина [мм] : 30
Номер технической информации : 54202PRO
Поверхность : с покрытием
Расположение/число отверстий : 05/06
Тип тормозного диска : с отверстиями/с внутр. вентиляцией
Толщина тормозного диска (мм) : 32
Показать больше свойств
|
|
|
Тормозной диск
Вес [кг] : 7,12
Высота [мм] : 68
Диаметр [мм] : 300
Диаметр фаски 2 [мм] : 112
Диаметр центрирования [мм] : 67
Дополнительный артикул / дополнительная информация 2 : без ступицы
Минимальная толщина [мм] : 19,4
Номер технической информации : 54155PRO
Поверхность : с покрытием
Расположение/число отверстий : 05/06
Тип тормозного диска : с внутренней вентиляцией
Толщина тормозного диска (мм) : 22
Показать больше свойств
|
|
|
Тормозной диск
Вес [кг] : 7,12
Высота [мм] : 68
Диаметр [мм] : 300
Диаметр фаски 2 [мм] : 112
Диаметр центрирования [мм] : 67
Дополнительный артикул / дополнительная информация 2 : без ступицы
Минимальная толщина [мм] : 19,4
Номер технической информации : 54155
Расположение/число отверстий : 05/06
Тип тормозного диска : с внутренней вентиляцией
Толщина тормозного диска (мм) : 22
Показать больше свойств
|
|
|
Тормозной диск
Вес [кг] : 7,98
Высота [мм] : 54,5
Диаметр [мм] : 295
Диаметр фаски 2 [мм] : 112
Диаметр центрирования [мм] : 67
Дополнительный артикул / дополнительная информация 2 : без ступицы
Минимальная толщина [мм] : 25,4
Номер технической информации : 54152PRO
Поверхность : с покрытием
Расположение/число отверстий : 05/06
Тип тормозного диска : с внутренней вентиляцией
Толщина тормозного диска (мм) : 28
Показать больше свойств
|
|
|
Тормозной диск
Высота [мм] : 65
Диаметр [мм] : 312
Диаметр ступицы 1 [мм] : 67
Минимальная толщина [мм] : 25,4
ограничение производителя : BREMBO
Сторона установки : Передний мост
Тип тормозного диска : вентилируемый
Толщина тормозного диска (мм) : 28
Число отверстий в диске колеса : 5
Показать больше свойств
|
|
|
Тормозной диск
Внутренний диаметр : 154
Высота [мм] : 54,5
Диаметр [мм] : 295
Диаметр отверстия [мм] : 15,3
Диаметр фаски 2 [мм] : 112
Диаметр центрирования [мм] : 67
Количество отверстий : 5
Минимальная толщина [мм] : 25,4
Обработка : легированный/высокоуглеродистый
Поверхность : с покрытием
Тип тормозного диска : вентилируемый
Толщина тормозного диска (мм) : 28
Показать больше свойств
|
|
|
Тормозной диск
Высота [мм] : 64,5
Диаметр [мм] : 330
Диаметр фаски 2 [мм] : 112
Диаметр центрирования [мм] : 67
Количество отверстий : 5
Минимальная толщина [мм] : 29,4
Сторона установки : Передний мост
Тип тормозного диска : вентилируемый
Толщина тормозного диска (мм) : 32
Показать больше свойств
|
|
|
Тормозной диск
вариант оснащения : ventilato
Сторона установки : Задний мост
|
|
|
Тормозной диск
Высота [мм] : 64,5
Диаметр [мм] : 330
Диаметр фаски 2 [мм] : 112
Диаметр центрирования [мм] : 67
Количество отверстий : 5
Минимальная толщина [мм] : 29,4
Сторона установки : Передний мост
Тип тормозного диска : вентилируемый
Толщина тормозного диска (мм) : 32
Показать больше свойств
|
|
|
Тормозной диск
Высота [мм] : 64,5
Диаметр [мм] : 330
Диаметр фаски 2 [мм] : 112
Диаметр центрирования [мм] : 67
Количество отверстий : 5
Минимальная толщина [мм] : 29,4
Сторона установки : Передний мост
Тип тормозного диска : вентилируемый
Толщина тормозного диска (мм) : 32
Показать больше свойств
|
|
|
Тормозной диск
Высота [мм] : 68
Диаметр [мм] : 300
Диаметр центрирования [мм] : 67
Количество отверстий : 5
Минимальная толщина [мм] : 19,4
Тип тормозного диска : с внутренней вентиляцией
Толщина тормозного диска (мм) : 22
Показать больше свойств
|
|
|
Тормозной диск
Внутренний диаметр : 154
Высота [мм] : 54,5
Диаметр [мм] : 295
Диаметр отверстия [мм] : 15,3
Диаметр фаски 2 [мм] : 112
Диаметр центрирования [мм] : 67
Количество отверстий : 5
Минимальная толщина [мм] : 25,4
Обработка : легированный/высокоуглеродистый
Поверхность : с покрытием
Сторона установки : Передний мост
Тип тормозного диска : вентилируемый
Толщина тормозного диска (мм) : 28
Показать больше свойств
|
|
|
Тормозной диск
Внутренний диаметр : 154
Высота [мм] : 54,5
Диаметр [мм] : 295
Диаметр отверстия [мм] : 15,3
Диаметр фаски 2 [мм] : 112
Диаметр центрирования [мм] : 67
Количество отверстий : 5
Минимальная толщина [мм] : 25,4
Обработка : легированный/высокоуглеродистый
Тип тормозного диска : вентилируемый
Толщина тормозного диска (мм) : 28
Показать больше свойств
|
|
|
Тормозной диск
Внутренний диаметр : 180
Высота [мм] : 68
Диаметр [мм] : 300
Диаметр отверстия [мм] : 15,3
Диаметр фаски 2 [мм] : 112
Диаметр центрирования [мм] : 67
Количество отверстий : 5
Минимальная толщина [мм] : 19,4
Сторона установки : Задний мост
Тип тормозного диска : вентилируемый
Толщина тормозного диска (мм) : 22
Показать больше свойств
|
|
|
Тормозной диск
Вес [кг] : 7,12
Высота [мм] : 68
Диаметр [мм] : 300
Диаметр фаски 2 [мм] : 112
Диаметр центрирования [мм] : 67
Дополнительный артикул / дополнительная информация 2 : без ступицы
Количество болтов : 1
Минимальная толщина [мм] : 19,4
Номер технической информации : 54155PRO_HC_NA
Обработка : Высокоуглеродистый
Поверхность : с покрытием
Расположение/число отверстий : 05/06
Тип тормозного диска : с внутренней вентиляцией
Толщина тормозного диска (мм) : 22
Цвет : серебряный
Показать больше свойств
|
|
|
Тормозной диск
Вес [кг] : 7,98
Высота [мм] : 54,5
Диаметр [мм] : 295
Диаметр фаски 2 [мм] : 112
Диаметр центрирования [мм] : 67
Дополнительный артикул / дополнительная информация 2 : без ступицы
Минимальная толщина [мм] : 25,4
Поверхность : с покрытием
Расположение/число отверстий : 05/06
Тип тормозного диска : с внутренней вентиляцией
Толщина тормозного диска (мм) : 28
Показать больше свойств
|
|
|
Тормозной диск
Высота [мм] : 54,5
Диаметр [мм] : 296
Диаметр центрирования [мм] : 67
Количество отверстий 1 : 5
Количество отверстий 2 : 1
Минимальная толщина [мм] : 25,4
Сторона установки : Передний мост
Тип тормозного диска : вентилируемый
Толщина тормозного диска (мм) : 28
Показать больше свойств
|
|
|
Тормозной диск
Вес [кг] : 7,98
Высота [мм] : 54,5
Высота упаковки [см] : 12
Диаметр [мм] : 295
Диаметр фаски 2 [мм] : 112
Диаметр центрирования [мм] : 67
Длина упаковки [см] : 33
Дополнительный артикул / дополнительная информация 2 : без ступицы
Минимальная толщина [мм] : 25,4
Номер технической информации : 98200 1152 0 1 PRO
Поверхность : с покрытием
Расположение/число отверстий : 05/06
Тип тормозного диска : с внутренней вентиляцией
Толщина тормозного диска (мм) : 28
Ширина упаковки [см] : 31,5
Показать больше свойств
|
|
|
Тормозной диск
Высота [мм] : 68
Диаметр [мм] : 300
Диаметр центрирования [мм] : 67
Количество отверстий : 5
Минимальная толщина [мм] : 19,4
Сторона установки : Задний мост
Тип тормозного диска : вентилируемый
Толщина тормозного диска (мм) : 22
Тормозная система : ATE
Показать больше свойств
|
|
|
Тормозной диск
Версия : JC
Высота [мм] : 54,5
Диаметр [мм] : 295
Диаметр центрирования [мм] : 67
Количество отверстий : 5
Минимальная толщина [мм] : 25,4
Поверхность : с покрытием
Сторона установки : Передний мост
Тип тормозного диска : вентилируемый
Толщина тормозного диска (мм) : 28
Показать больше свойств
|
|
|
Тормозной диск
Высота [мм] : 54,5
Диаметр [мм] : 295
Диаметр центрирования [мм] : 67
Количество отверстий : 5
Минимальная толщина [мм] : 25,4
Сторона установки : Передний мост
Тип тормозного диска : вентилируемый
Толщина тормозного диска (мм) : 28
Показать больше свойств
|
|
|
Тормозной диск
Вес [кг] : 10,1
Высота [мм] : 64,5
Высота упаковки [см] : 8
Диаметр [мм] : 330
Диаметр фаски 2 [мм] : 112
Диаметр центрирования [мм] : 67
Длина упаковки [см] : 38
Дополнительный артикул / дополнительная информация 2 : без ступицы
Минимальная толщина [мм] : 30
Номер технической информации : 98200 1202 0 1 PRO
Обработка : легированный/высокоуглеродистый
Поверхность : с покрытием
Расположение/число отверстий : 05/06
Тип тормозного диска : с отверстиями/с внутр. вентиляцией
Толщина тормозного диска (мм) : 32
Ширина упаковки [см] : 36,5
Показать больше свойств
|
|
|
Тормозной диск
Вес [кг] : 10,1
Высота [мм] : 64,5
Высота упаковки [см] : 8
Диаметр [мм] : 330
Диаметр фаски 2 [мм] : 112
Диаметр центрирования [мм] : 67
Длина упаковки [см] : 38
Дополнительный артикул / дополнительная информация 2 : без ступицы
Минимальная толщина [мм] : 30
Номер технической информации : 98200 1202 0 1 PRO
Обработка : Высокоуглеродистый
Поверхность : с покрытием
Расположение/число отверстий : 05/06
Тип тормозного диска : с отверстиями/с внутр. вентиляцией
Толщина тормозного диска (мм) : 32
Ширина упаковки [см] : 36,5
Показать больше свойств
|
|
|
Тормозной диск
Вес [кг] : 10,1
Высота [мм] : 64,5
Высота упаковки [см] : 8
Диаметр [мм] : 330
Диаметр фаски 2 [мм] : 112
Диаметр центрирования [мм] : 67
Длина упаковки [см] : 38
Дополнительный артикул / дополнительная информация 2 : без ступицы
Минимальная толщина [мм] : 30
Номер технической информации : 98200 1202 0 1 PRO
Поверхность : с покрытием
Расположение/число отверстий : 05/06
Тип тормозного диска : с отверстиями/с внутр. вентиляцией
Толщина тормозного диска (мм) : 32
Ширина упаковки [см] : 36,5
Показать больше свойств
|
|
|
Тормозной диск
Вес [кг] : 7,12
Высота [мм] : 68
Высота упаковки [см] : 15,5
Диаметр [мм] : 300
Диаметр фаски 2 [мм] : 112
Диаметр центрирования [мм] : 67
Длина упаковки [см] : 33
Дополнительный артикул / дополнительная информация 2 : без ступицы
Минимальная толщина [мм] : 19,4
Номер технической информации : 98200 1155 0 1 PRO
Поверхность : с покрытием
Расположение/число отверстий : 05/06
Тип тормозного диска : с внутренней вентиляцией
Толщина тормозного диска (мм) : 22
Ширина упаковки [см] : 31,5
Показать больше свойств
|
|
|
Тормозной диск
Вес [кг] : 7,98
Высота [мм] : 54,5
Высота упаковки [см] : 12
Диаметр [мм] : 295
Диаметр фаски 2 [мм] : 112
Диаметр центрирования [мм] : 67
Длина упаковки [см] : 33
Дополнительный артикул / дополнительная информация 2 : без ступицы
Минимальная толщина [мм] : 25,4
Номер технической информации : 98200 1152 0 1 PRO
Обработка : Высокоуглеродистый
Поверхность : с покрытием
Расположение/число отверстий : 05/06
Тип тормозного диска : с внутренней вентиляцией
Толщина тормозного диска (мм) : 28
Ширина упаковки [см] : 31,5
Показать больше свойств
|
|
|
Тормозной диск
Высота [мм] : 68
Диаметр [мм] : 300
Диаметр ступицы колеса [мм] : 67
Количество отверстий : 5
Минимальная толщина [мм] : 19,4
Тип тормозного диска : с внутренней вентиляцией
Толщина тормозного диска (мм) : 22
Показать больше свойств
|
|
|
Тормозной диск
Вес [кг] : 7,12
Высота [мм] : 68
Диаметр [мм] : 300
Диаметр фаски 2 [мм] : 112
Диаметр центрирования [мм] : 67
Дополнительный артикул / дополнительная информация 2 : без ступицы
Минимальная толщина [мм] : 19,4
Поверхность : с покрытием
Расположение/число отверстий : 05/06
Тип тормозного диска : с внутренней вентиляцией
Толщина тормозного диска (мм) : 22
Показать больше свойств
|
|
|
Тормозной диск
Диаметр [мм] : 295
Диаметр ступицы колеса [мм] : 67
Количество отверстий : 5
Минимальная толщина [мм] : 25,4
Обработка : Высокоуглеродистый
Поверхность : лакированный
Тип тормозного диска : с внутренней вентиляцией
Толщина тормозного диска (мм) : 28
Показать больше свойств
|
|
|
Тормозной диск
Высота [мм] : 54,6
Диаметр центрирования [мм] : 67
Количество крепежных отверстий : 1
Минимальная толщина [мм] : 25,4
Наружный диаметр [мм] : 295,1
Сторона установки : Передний мост
Тип тормозного диска : вентилируемый
Толщина тормозного диска (мм) : 28
Число отверстий в диске колеса : 5
Показать больше свойств
|
|
|
Тормозной диск
Высота [мм] : 68
Диаметр центрирования [мм] : 67
Количество крепежных отверстий : 1
Минимальная толщина [мм] : 19,4
Наружный диаметр [мм] : 300
Сторона установки : Задний мост
Тип тормозного диска : вентилируемый
Толщина тормозного диска (мм) : 22
Число отверстий в диске колеса : 5
Показать больше свойств
|
|
|
Тормозной диск
Высота [мм] : 68,3
Диаметр центрирования [мм] : 67,1
Количество крепежных отверстий : 1
Минимальная толщина [мм] : 8,3
Наружный диаметр [мм] : 300
Сторона установки : Задний мост
Тип тормозного диска : полный
Толщина тормозного диска (мм) : 10
Число отверстий в диске колеса : 5
Показать больше свойств
|
|
|
Тормозной диск
Высота [мм] : 54,5
Диаметр центрирования [мм] : 67
Количество крепежных отверстий : 1
Минимальная толщина [мм] : 25,4
Наружный диаметр [мм] : 295
Сторона установки : Передний мост
Тип тормозного диска : вентилируемый
Толщина тормозного диска (мм) : 28
Число отверстий в диске колеса : 5
Показать больше свойств
|
|
|
Тормозной диск
Высота [мм] : 68
Диаметр центрирования [мм] : 67
Количество крепежных отверстий : 1
Минимальная толщина [мм] : 19,4
Наружный диаметр [мм] : 300
Сторона установки : Задний мост
Тип тормозного диска : вентилируемый
Толщина тормозного диска (мм) : 22
Число отверстий в диске колеса : 5
Показать больше свойств
|
|
|
Тормозной диск
Высота [мм] : 68,3
Диаметр центрирования [мм] : 67
Количество крепежных отверстий : 1
Минимальная толщина [мм] : 8,3
Наружный диаметр [мм] : 300
Сторона установки : Задний мост
Тип тормозного диска : полный
Толщина тормозного диска (мм) : 10
Число отверстий в диске колеса : 5
Показать больше свойств
|
|
|
Тормозной диск
Вес [кг] : 10,1
Высота [мм] : 64,5
Диаметр [мм] : 330
Диаметр фаски 2 [мм] : 112
Диаметр центрирования [мм] : 67
Дополнительный артикул / дополнительная информация 2 : без ступицы
Минимальная толщина [мм] : 30
Поверхность : с покрытием
Расположение/число отверстий : 05/06
Тип тормозного диска : с отверстиями/с внутр. вентиляцией
Толщина тормозного диска (мм) : 32
Показать больше свойств
|
|
|
Тормозной диск
Внутренний диаметр : 180
Высота [мм] : 68
Диаметр [мм] : 300
Диаметр отверстия [мм] : 15,3
Диаметр фаски 2 [мм] : 112
Диаметр центрирования [мм] : 67
Дополнительный артикул / дополнительная информация 2 : с винтами
Количество отверстий : 5
Минимальная толщина [мм] : 19,4
Тип тормозного диска : вентилируемый
Толщина тормозного диска (мм) : 22
Показать больше свойств
|
|
|
Тормозной диск
Высота [мм] : 64,5
Диаметр [мм] : 312
Диаметр центрирования [мм] : 67
Количество отверстий 1 : 5
Количество отверстий 2 : 1
Минимальная толщина [мм] : 25,4
Сторона установки : Передний мост
Тип тормозного диска : вентилируемый
Толщина тормозного диска (мм) : 28
Показать больше свойств
|
|
|
Тормозной диск
Вес [кг] : 8,68
Высота [мм] : 64,5
Диаметр [мм] : 312
Количество отверстий : 5
Минимальная толщина [мм] : 25,4
Сторона установки : Передний мост
Тип тормозного диска : вентилируемый
Толщина тормозного диска (мм) : 28
Показать больше свойств
|
|
|
Тормозной диск
Высота [мм] : 64,5
Диаметр [мм] : 312
Диаметр центрирования [мм] : 67
Количество отверстий : 5
Минимальная толщина [мм] : 25,4
Поверхность : лакированный
Сторона установки : Передний мост
Тип тормозного диска : вентилируемый
Толщина тормозного диска (мм) : 28
Показать больше свойств
|
|
|
Тормозной диск
Вес [кг] : 7,1
Высота [мм] : 68
Диаметр [мм] : 300
Диаметр центрирования [мм] : 67
для артикула № : HPD 158
Количество отверстий : 5
Минимальная толщина [мм] : 19,4
Тип тормозного диска : с внутренней вентиляцией
Толщина тормозного диска (мм) : 22
Показать больше свойств
|
|
|
Тормозной диск
Вес [кг] : 8,89
Высота [мм] : 64
Диаметр [мм] : 312
Диаметр центрирования [мм] : 67
для артикула № : HPD 387
Количество отверстий : 5
Минимальная толщина [мм] : 25,4
Тип тормозного диска : с внутренней вентиляцией
Толщина тормозного диска (мм) : 28
Показать больше свойств
|
|
|
Тормозной диск
Вес [кг] : 8,28
Высота [мм] : 54,5
Диаметр [мм] : 295
Диаметр центрирования [мм] : 67
для артикула № : HPD 386
Количество отверстий : 5
Минимальная толщина [мм] : 25,4
Тип тормозного диска : с внутренней вентиляцией
Толщина тормозного диска (мм) : 28
Показать больше свойств
|
|
|
Тормозной диск
Высота [мм] : 54,5
Диаметр [мм] : 295,2
Диаметр фаски 2 [мм] : 67
Количество отверстий : 5
Тип тормозного диска : вентилируемый
Толщина тормозного диска (мм) : 28
Показать больше свойств
|
|
|
Тормозной диск
Высота [мм] : 47,6
Диаметр [мм] : 303,9
Диаметр центрирования [мм] : 67
Количество отверстий : 5
Минимальная толщина [мм] : 28,4
Поверхность : лакированный
Сторона установки : Передний мост
Тип тормозного диска : с отверстиями/с внутр. вентиляцией
Толщина тормозного диска (мм) : 30
Показать больше свойств
|
|
|
Тормозной диск
Высота [мм] : 64,5
Диаметр [мм] : 312
Диаметр центрирования [мм] : 67
Количество отверстий : 5
Минимальная толщина [мм] : 25,4
Поверхность : лакированный
Сторона установки : Передний мост
Тип тормозного диска : с отверстиями/с внутр. вентиляцией
Толщина тормозного диска (мм) : 28
Показать больше свойств
|
|
|
Тормозной диск
Высота [мм] : 68
Диаметр [мм] : 300
Диаметр центрирования [мм] : 67
Количество отверстий : 5
Минимальная толщина [мм] : 19,4
Поверхность : лакированный
Сторона установки : Задний мост
Тип тормозного диска : с отверстиями/с внутр. вентиляцией
Толщина тормозного диска (мм) : 22
Показать больше свойств
|
|
|
Тормозной диск
Высота [мм] : 47,6
Диаметр [мм] : 303,9
Диаметр центрирования [мм] : 67
Количество отверстий : 5
Минимальная толщина [мм] : 28,4
Поверхность : лакированный
Сторона установки : Передний мост
Тип тормозного диска : вентилируемый
Толщина тормозного диска (мм) : 30
Показать больше свойств
|
|
|
Тормозной диск
Высота [мм] : 68
Диаметр [мм] : 300
Диаметр центрирования [мм] : 67
Количество отверстий : 5
Минимальная толщина [мм] : 19,4
Поверхность : лакированный
Сторона установки : Задний мост
Тип тормозного диска : вентилируемый
Толщина тормозного диска (мм) : 22
Показать больше свойств
|
|
|
Тормозной диск
Вес [кг] : 9,720
Высота [мм] : 64,5
Диаметр [мм] : 329,7
Диаметр фаски 2 [мм] : 67
Количество отверстий : 5
Минимальная толщина [мм] : 30
Тип тормозного диска : вентилируемый
Толщина тормозного диска (мм) : 32
Показать больше свойств
|
|
|
Тормозной диск
Высота [мм] : 64,5
Диаметр [мм] : 312
Диаметр фаски 2 [мм] : 112
Диаметр центрирования [мм] : 64
Количество отверстий : 5
Минимальная толщина [мм] : 25,4
Размер резьбы : 15.3
Тип тормозного диска : вентилируемый
Толщина тормозного диска (мм) : 28
Показать больше свойств
|
|
|
Тормозной диск
Высота [мм] : 54,5
Диаметр [мм] : 295,5
Диаметр фаски 2 [мм] : 112
Диаметр центрирования [мм] : 67
Количество отверстий : 5
Минимальная толщина [мм] : 25,4
Размер резьбы : 15,3
Тип тормозного диска : вентилируемый
Толщина тормозного диска (мм) : 28
Показать больше свойств
|
|
|
Тормозной диск
Высота [мм] : 54,5
Диаметр [мм] : 295,5
Диаметр фаски 2 [мм] : 112
Диаметр центрирования [мм] : 67
Количество отверстий : 5
Минимальная толщина [мм] : 25,4
Размер резьбы : 15,3
Тип тормозного диска : вентилируемый
Толщина тормозного диска (мм) : 28
Показать больше свойств
|
|
|
Тормозной диск
Высота [мм] : 64,5
Диаметр [мм] : 312
Диаметр фаски 2 [мм] : 112
Диаметр центрирования [мм] : 64
Количество отверстий : 5
Минимальная толщина [мм] : 25,4
Размер резьбы : 15.3
Тип тормозного диска : вентилируемый
Толщина тормозного диска (мм) : 28
Показать больше свойств
|
|
|
Тормозной диск
Высота [мм] : 68
Диаметр [мм] : 300
Диаметр фаски 2 [мм] : 105
Диаметр центрирования [мм] : 67
Количество отверстий : 5
Минимальная толщина [мм] : 19,4
Размер резьбы : 15,3
Тип тормозного диска : вентилируемый
Толщина тормозного диска (мм) : 22
Показать больше свойств
|
|
|
Тормозной диск
Высота [мм] : 55
Диаметр [мм] : 295
Диаметр центрирования [мм] : 67
для артикула № : 19-0812
Количество отверстий : 5
Минимальная толщина [мм] : 25,4
Тип тормозного диска : вентилируемый
Толщина тормозного диска (мм) : 28
Показать больше свойств
|
|
|
Тормозной диск
Высота [мм] : 68,4
Диаметр [мм] : 300
Диаметр центрирования [мм] : 67
для артикула № : 19-0910
Количество отверстий : 5
Минимальная толщина [мм] : 19,4
Тип тормозного диска : вентилируемый
Толщина тормозного диска (мм) : 22,2
Показать больше свойств
|
|
|
Тормозной диск
Диаметр [мм] : 330
Диаметр фаски 2 [мм] : 112
Количество отверстий : 5
Минимальная толщина [мм] : 30
Обработка : легированный/высокоуглеродистый
Поверхность : с покрытием
Тип тормозного диска : с внутренней вентиляцией
Толщина тормозного диска (мм) : 32
Показать больше свойств
|
|
|
Тормозной диск
Вес [кг] : 7,23
Высота [мм] : 65,5
Диаметр [мм] : 300
Диаметр центрирования [мм] : 67
Количественная единица : штука
Количество отверстий : 5
Минимальная толщина [мм] : 19,4
Сторона установки : Задний мост
Тип тормозного диска : вентилируемый
Толщина тормозного диска (мм) : 22
Показать больше свойств
|
|
|
Тормозной диск
Вес [кг] : 8,85
Высота [мм] : 64,5
Диаметр [мм] : 312
Диаметр центрирования [мм] : 67
Дополнительный артикул / дополнительная информация 2 : с винтами
Количество отверстий : 5
Минимальная толщина [мм] : 25,4
Сторона установки : Передний мост
Тип тормозного диска : вентилируемый
Толщина тормозного диска (мм) : 28
Показать больше свойств
|
|
|
Тормозной диск
Высота [мм] : 68
Диаметр [мм] : 300
Диаметр центрирования [мм] : 67
Количество отверстий 1 : 5
Количество отверстий 2 : 1
Минимальная толщина [мм] : 19,4
Сторона установки : Задний мост
Тип тормозного диска : вентилируемый
Толщина тормозного диска (мм) : 22
Показать больше свойств
|
|
|
Тормозной диск
Высота [мм] : 68,2
Диаметр [мм] : 300
Диаметр фаски 2 [мм] : 67
Количество отверстий : 5
Минимальная толщина [мм] : 19,4
Поверхность : лакированный
Сторона установки : Задний мост
Тип тормозного диска : вентилируемый
Толщина тормозного диска (мм) : 22
Показать больше свойств
|
|
|
Тормозной диск
Высота [мм] : 54,5
Диаметр [мм] : 296
Диаметр центрирования [мм] : 67
Количество отверстий 1 : 5
Количество отверстий 2 : 1
Минимальная толщина [мм] : 25,4
Сторона установки : Передний мост
Тип тормозного диска : вентилируемый
Толщина тормозного диска (мм) : 28
Показать больше свойств
|
|
|
Тормозной диск
Высота [мм] : 64,5
Диаметр [мм] : 330
Диаметр фаски 2 [мм] : 112
Диаметр центрирования [мм] : 67
Количество отверстий : 5
Минимальная толщина [мм] : 29,4
Сторона установки : Передний мост
Тип тормозного диска : вентилируемый
Толщина тормозного диска (мм) : 32
Показать больше свойств
|
|
|
Тормозной диск
Ø отверстия ступицы [мм] : 67
Высота [мм] : 68,2
Диаметр [мм] : 300
Количество отверстий : 5
Минимальная толщина [мм] : 19,4
Тип тормозного диска : с внутренней вентиляцией
Толщина тормозного диска (мм) : 22
Показать больше свойств
|
|
|
Тормозной диск
Высота [мм] : 68,2
Диаметр [мм] : 300
Диаметр фаски 2 [мм] : 67
Количество отверстий : 5
Минимальная толщина [мм] : 19,4
Поверхность : лакированный
Сторона установки : Задний мост
Тип тормозного диска : вентилируемый
Толщина тормозного диска (мм) : 22
Показать больше свойств
|
|
|
Тормозной диск
Высота [мм] : 64,5
Диаметр [мм] : 312
Диаметр фаски 2 [мм] : 67
Количество отверстий : 5
Минимальная толщина [мм] : 25,4
Поверхность : лакированный
Сторона установки : Передний мост
Тип тормозного диска : вентилируемый
Толщина тормозного диска (мм) : 28
Показать больше свойств
|
|
|
Тормозной диск
Высота [мм] : 54,5
Диаметр [мм] : 295
Диаметр фаски 2 [мм] : 67
Количество отверстий : 5
Минимальная толщина [мм] : 25,4
Поверхность : лакированный
Сторона установки : Передний мост
Тип тормозного диска : вентилируемый
Толщина тормозного диска (мм) : 28
Показать больше свойств
|
|
|
Тормозной диск
Высота [мм] : 64,5
Диаметр [мм] : 329,7
Диаметр фаски 2 [мм] : 67
Количество отверстий : 5
Минимальная толщина [мм] : 30
Поверхность : лакированный
Тип тормозного диска : с отверстиями
Толщина тормозного диска (мм) : 32
Показать больше свойств
|
|
|
Тормозной диск
Высота [мм] : 64,5
Диаметр [мм] : 329,7
Диаметр фаски 2 [мм] : 67
Количество отверстий : 5
Минимальная толщина [мм] : 30
Поверхность : лакированный
Тип тормозного диска : с отверстиями
Толщина тормозного диска (мм) : 32
Показать больше свойств
|
|
|
Тормозной диск
Высота [мм] : 64,5
Диаметр [мм] : 312
Диаметр фаски 2 [мм] : 67
Количество отверстий : 5
Минимальная толщина [мм] : 25,4
Поверхность : лакированный
Сторона установки : Передний мост
Тип тормозного диска : вентилируемый
Толщина тормозного диска (мм) : 28
Показать больше свойств
|
|
|
Тормозной диск
Вес [кг] : 17,096
Высота [мм] : 54,5
Диаметр [мм] : 295,2
Диаметр фаски 2 [мм] : 67
Количество отверстий : 5
Минимальная толщина [мм] : 25,4
Поверхность : лакированный
Тип тормозного диска : вентилируемый
Толщина тормозного диска (мм) : 28
Показать больше свойств
|
|
|
Тормозной диск
Внутренний диаметр : 154
Высота [мм] : 64,5
Диаметр [мм] : 330
Диаметр отверстия [мм] : 15
Диаметр фаски 2 [мм] : 112
Диаметр центрирования [мм] : 67
Количество отверстий : 5
Минимальная толщина [мм] : 30
Толщина тормозного диска (мм) : 32
Показать больше свойств
|
|
|
Тормозной диск
Высота [мм] : 64,6
Диаметр [мм] : 312
Диаметр центрирования [мм] : 67
для артикула № : M2018VR
Количество отверстий : 5
Минимальная толщина [мм] : 25,4
Поверхность : с покрытием
Тип тормозного диска : с внутренней вентиляцией
Толщина тормозного диска (мм) : 28
Показать больше свойств
|
|
|
Тормозной диск
Высота [мм] : 64,6
Диаметр [мм] : 312
Диаметр центрирования [мм] : 67
для артикула № : M2018V
Количество отверстий : 5
Минимальная толщина [мм] : 25,4
Тип тормозного диска : с внутренней вентиляцией
Толщина тормозного диска (мм) : 28
Показать больше свойств
|
|
|
Тормозной диск
Вес [кг] : 14,752
Высота [мм] : 54,6
Диаметр [мм] : 295,1
Диаметр фаски 2 [мм] : 67
Количество отверстий : 5
Минимальная толщина [мм] : 25,4
Тип тормозного диска : вентилируемый
Толщина тормозного диска (мм) : 28
Показать больше свойств
|
|
|
Тормозной диск
Вес [кг] : 14,887
Высота [мм] : 65,6
Диаметр [мм] : 300
Диаметр фаски 2 [мм] : 67
Количество отверстий : 5
Минимальная толщина [мм] : 19,4
Поверхность : лакированный
Тип тормозного диска : вентилируемый
Толщина тормозного диска (мм) : 22
Показать больше свойств
|
|
|
Тормозной диск
Вес [кг] : 17,096
Высота [мм] : 54,5
Диаметр [мм] : 295,2
Диаметр фаски 2 [мм] : 67
Количество отверстий : 5
Минимальная толщина [мм] : 25,4
Поверхность : лакированный
Тип тормозного диска : вентилируемый
Толщина тормозного диска (мм) : 28
Показать больше свойств
|
|
|
Тормозной диск
Вес [кг] : 9,720
Высота [мм] : 64,5
Диаметр [мм] : 329,7
Диаметр фаски 2 [мм] : 67
Количество отверстий : 5
Минимальная толщина [мм] : 30
Тип тормозного диска : вентилируемый
Толщина тормозного диска (мм) : 32
Показать больше свойств
|
|
|
Тормозной диск
Вес [кг] : 14,752
Высота [мм] : 54,6
Диаметр [мм] : 295,1
Диаметр фаски 2 [мм] : 67
Количество отверстий : 5
Минимальная толщина [мм] : 25,4
Тип тормозного диска : вентилируемый
Толщина тормозного диска (мм) : 28
Показать больше свойств
|
|
|
Тормозной диск
Версия : JC
Высота [мм] : 68
Диаметр [мм] : 300
Диаметр центрирования [мм] : 67
Количество отверстий : 5
Минимальная толщина [мм] : 19,4
Поверхность : с покрытием
Сторона установки : Задний мост
Тип тормозного диска : вентилируемый
Толщина тормозного диска (мм) : 22
Тормозная система : ATE
Показать больше свойств
|
|
|
Тормозной диск
Высота [мм] : 64,5
Диаметр [мм] : 312
Диаметр центрирования [мм] : 67
Количество отверстий : 5
Минимальная толщина [мм] : 25,4
Сторона установки : Передний мост
Тип тормозного диска : вентилируемый
Толщина тормозного диска (мм) : 28
Тормозная система : ATE
Показать больше свойств
|
|
|
Тормозной диск
Вес [кг] : 8,25
Высота [мм] : 54,5
Диаметр [мм] : 295,2
Диаметр центрирования [мм] : 67
Количество отверстий : 5
Минимальная толщина [мм] : 25,4
проверочное значение : K.B.A.: 61209
Сторона установки : Передний мост
Тип тормозного диска : вентилируемый
Толщина тормозного диска (мм) : 28
Показать больше свойств
|
|
|
Тормозной диск
Диаметр [мм] : 300
ограничение производителя : ATE
Тип тормозного диска : вентилируемый
Толщина тормозного диска (мм) : 22
Показать больше свойств
|
|
|
Тормозной диск
Вес [кг] : 5,15
Высота [мм] : 68,5
Диаметр [мм] : 300
Диаметр центрирования [мм] : 67,1
Колесная база : не для длинной базы автомобиля
Минимальная толщина [мм] : 8,3
Поверхность : с покрытием
Тип тормозного диска : полный
Толщина тормозного диска (мм) : 10
Число отверстий в диске колеса : 5
Показать больше свойств
|
|
|
Тормозной диск
Вес [кг] : 8,95
Высота [мм] : 64,5
Диаметр [мм] : 312
Диаметр центрирования [мм] : 67
Минимальная толщина [мм] : 25,4
Поверхность : с покрытием
Тип тормозного диска : вентилируемый
Толщина тормозного диска (мм) : 28
Число отверстий в диске колеса : 5
Показать больше свойств
|
|
|
Тормозной диск
Вес [кг] : 8,25
Высота [мм] : 54,5
Диаметр [мм] : 295
Диаметр центрирования [мм] : 67
Минимальная толщина [мм] : 25,4
Поверхность : с покрытием
Тип тормозного диска : вентилируемый
Толщина тормозного диска (мм) : 28
Число отверстий в диске колеса : 5
Показать больше свойств
|
|
|
Тормозной диск
Вес [кг] : 7,1
Высота [мм] : 68
Диаметр [мм] : 300
Диаметр центрирования [мм] : 67
для артикула № : 89011661 Bolt
Минимальная толщина [мм] : 19,4
Тип тормозного диска : вентилируемый
Толщина тормозного диска (мм) : 22
Число отверстий в диске колеса : 5
Показать больше свойств
|
|
|
Тормозной диск
Вес [кг] : 5,15
Высота [мм] : 68,5
Диаметр [мм] : 300
Диаметр центрирования [мм] : 67,1
для артикула № : 89011661 Bolt
Колесная база : не для длинной базы автомобиля
Минимальная толщина [мм] : 8,3
Тип тормозного диска : полный
Толщина тормозного диска (мм) : 10
Число отверстий в диске колеса : 5
Показать больше свойств
|
|
|
Тормозной диск
Вес [кг] : 8,95
Высота [мм] : 64,5
Диаметр [мм] : 312
Диаметр центрирования [мм] : 67
для артикула № : 89011661 Bolt
Минимальная толщина [мм] : 25,4
Тип тормозного диска : вентилируемый
Толщина тормозного диска (мм) : 28
Число отверстий в диске колеса : 5
Показать больше свойств
|
|
|
Тормозной диск
Вес [кг] : 8,25
Высота [мм] : 54,5
Диаметр [мм] : 295
Диаметр центрирования [мм] : 67
Минимальная толщина [мм] : 25,4
Тип тормозного диска : вентилируемый
Толщина тормозного диска (мм) : 28
Число отверстий в диске колеса : 5
Показать больше свойств
|
|
|
Тормозной диск
Высота [мм] : 68
Диаметр [мм] : 300
Диаметр центрирования [мм] : 67
Количество отверстий : 5
Минимальная толщина [мм] : 19,4
ограничение производителя : ATE
Поверхность : с покрытием
Тип тормозного диска : вентилируемый
Толщина тормозного диска (мм) : 22
Показать больше свойств
|
|
|
Тормозной диск
Диаметр [мм] : 312
ограничение производителя : ATE
Поверхность : с покрытием
Тип тормозного диска : вентилируемый
Толщина тормозного диска (мм) : 28
Показать больше свойств
|
|
|
Тормозной диск
Высота [мм] : 68
Диаметр [мм] : 300
Диаметр центрирования [мм] : 67
Минимальная толщина [мм] : 19,4
Расположение/число отверстий : 5/6
Сторона установки : Задний мост
Тип тормозного диска : вентилируемый
Толщина тормозного диска (мм) : 22
Показать больше свойств
|
|
|
Тормозной диск
Диаметр [мм] : 312
ограничение производителя : ATE
Тип тормозного диска : вентилируемый
Толщина тормозного диска (мм) : 28
Показать больше свойств
|
|
|
Тормозной диск
Диаметр [мм] : 295
Поверхность : с покрытием
Тип тормозного диска : вентилируемый
Толщина тормозного диска (мм) : 28
Показать больше свойств
|
|
|
Тормозной диск
Диаметр [мм] : 295
Тип тормозного диска : вентилируемый
Толщина тормозного диска (мм) : 28
|
|
|
Тормозной диск
Высота [мм] : 54,5
Диаметр [мм] : 295
Диаметр центрирования [мм] : 67
Количество отверстий : 5
Минимальная толщина [мм] : 25,4
Поверхность : с покрытием
Тип тормозного диска : вентилируемый
Толщина тормозного диска (мм) : 28
Показать больше свойств
|
|
|
Тормозной диск
Высота [мм] : 54,5
Диаметр [мм] : 295
Диаметр центрирования [мм] : 67
Количество отверстий : 5
Минимальная толщина [мм] : 25,4
Тип тормозного диска : вентилируемый
Толщина тормозного диска (мм) : 28
Показать больше свойств
|
|
|
Тормозной диск
Вес [кг] : 7,958
Диаметр центрирования [мм] : 67
Минимальная толщина [мм] : 25,4
Наружный диаметр [мм] : 295,2
необходимое количество : 2
Сторона установки : Передний мост
Тип тормозного диска : с внутренней вентиляцией
Толщина [мм] : 54,5
Толщина тормозного диска (мм) : 28
Число отверстий в диске колеса : 5
Показать больше свойств
|
|
|
Тормозной диск
Высота [мм] : 54,5
Диаметр [мм] : 295
Диаметр фаски 2 [мм] : 67
Количество отверстий : 5
Минимальная толщина [мм] : 25,4
Момент затяжки [Нм] : 130
Толщина тормозного диска (мм) : 28
Показать больше свойств
|
|
|
Тормозной диск
Высота [мм] : 68
Диаметр [мм] : 300
Диаметр фаски 2 [мм] : 67
Количество отверстий : 5
Минимальная толщина [мм] : 19,4
Момент затяжки [Нм] : 130
Обработка : Высокоуглеродистый
Толщина тормозного диска (мм) : 22
Показать больше свойств
|
|
|
Тормозной диск
Вес [кг] : 7,1
Высота [мм] : 68
Диаметр [мм] : 300
Диаметр центрирования [мм] : 67
Минимальная толщина [мм] : 19,4
Поверхность : с покрытием
Тип тормозного диска : вентилируемый
Толщина тормозного диска (мм) : 22
Число отверстий в диске колеса : 5
Показать больше свойств
|
|
|
Тормозной диск
Высота [мм] : 68
Диаметр [мм] : 300
Диаметр центрирования [мм] : 67
Минимальная толщина [мм] : 19,4
Поверхность : с покрытием
Расположение/число отверстий : 5/6
Сторона установки : Задний мост
Тип тормозного диска : вентилируемый
Толщина тормозного диска (мм) : 22
Показать больше свойств
|
|
|
Тормозной диск
Высота [мм] : 54,5
Диаметр [мм] : 295
Диаметр фаски 2 [мм] : 67
Количество отверстий : 5
Минимальная толщина [мм] : 25,4
Момент затяжки [Нм] : 130
Обработка : Высокоуглеродистый
Толщина тормозного диска (мм) : 28
Показать больше свойств
|
|
|
Тормозной диск
Ø отверстия болт крепления колеса [мм] : 15,3
Высота [мм] : 64,5
Диаметр фаски 2 [мм] : 112
Диаметр центрирования [мм] : 67
Количество отверстий : 5
Минимальная толщина [мм] : 25,4
Наружный диаметр [мм] : 312
Сторона установки : Передний мост
Тип тормозного диска : вентилируемый
Толщина тормозного диска (мм) : 28
Показать больше свойств
|
|
|
Тормозной диск
Вес [кг] : 10,61
Высота [мм] : 64,5
Диаметр [мм] : 330
Диаметр центрирования [мм] : 67
Количество отверстий : 5
Минимальная толщина [мм] : 29,4
Сторона установки : Передний мост
Тип тормозного диска : вентилируемый
Толщина тормозного диска (мм) : 32
Показать больше свойств
|
|
|
Тормозной диск
Вес [кг] : 10,73
Диаметр фаски 2 [мм] : 112
Минимальная толщина [мм] : 30
Наружный диаметр [мм] : 329
необходимое количество : 2
Сторона установки : Передний мост
Тип тормозного диска : с отверстиями/с внутр. вентиляцией
Толщина тормозного диска (мм) : 32
Число отверстий в диске колеса : 5
Показать больше свойств
|
|
|
Тормозной диск
Вес [кг] : 7,1
Диаметр фаски 2 [мм] : 112
Минимальная толщина [мм] : 19,4
Наружный диаметр [мм] : 300
необходимое количество : 2
Сторона установки : Задний мост
Тип тормозного диска : с внутренней вентиляцией
Толщина [мм] : 65,6
Толщина тормозного диска (мм) : 22
Число отверстий в диске колеса : 5
Показать больше свойств
|
|
|
Тормозной диск
Вес [кг] : 7,958
Диаметр центрирования [мм] : 67
Минимальная толщина [мм] : 25,4
Наружный диаметр [мм] : 295,2
необходимое количество : 2
Сторона установки : Передний мост
Тип тормозного диска : с внутренней вентиляцией
Толщина [мм] : 54,5
Толщина тормозного диска (мм) : 28
Число отверстий в диске колеса : 5
Показать больше свойств
|
|
|
Тормозной диск
Вес [кг] : 7,319
Диаметр центрирования [мм] : 67
Минимальная толщина [мм] : 25,4
Наружный диаметр [мм] : 295
необходимое количество : 2
Сторона установки : Передний мост
Тип тормозного диска : с внутренней вентиляцией
Толщина [мм] : 54,6
Толщина тормозного диска (мм) : 28
Число отверстий в диске колеса : 5
Показать больше свойств
|
|
|
Тормозной диск
Ø отверстия болт крепления колеса [мм] : 15,3
Высота [мм] : 68,2
Диаметр фаски 2 [мм] : 112
Диаметр центрирования [мм] : 67
Дополнительный артикул / дополнительная информация 2 : с винтами
Количество отверстий : 5
Минимальная толщина [мм] : 19,4
Наружный диаметр [мм] : 300
Поверхность : покрытый УФ-лаком
Сторона установки : Задний мост
Тип тормозного диска : вентилируемый
Толщина тормозного диска (мм) : 22
Показать больше свойств
|
|
|
Тормозной диск
Ø отверстия болт крепления колеса [мм] : 15,3
Высота [мм] : 68,2
Диаметр фаски 2 [мм] : 112
Диаметр центрирования [мм] : 67
Количество отверстий : 5
Минимальная толщина [мм] : 19,4
Наружный диаметр [мм] : 300
Сторона установки : Задний мост
Тип тормозного диска : вентилируемый
Толщина тормозного диска (мм) : 22
Показать больше свойств
|
|
|
Тормозной диск
Ø отверстия болт крепления колеса [мм] : 15,3
Высота [мм] : 64,5
Диаметр фаски 2 [мм] : 112
Диаметр центрирования [мм] : 67
Дополнительный артикул / дополнительная информация 2 : с винтами
Количество отверстий : 5
Минимальная толщина [мм] : 25,4
Наружный диаметр [мм] : 312
Поверхность : покрытый УФ-лаком
Сторона установки : Передний мост
Тип тормозного диска : вентилируемый
Толщина тормозного диска (мм) : 28
Показать больше свойств
|
|
|
Тормозной диск
Ø отверстия болт крепления колеса [мм] : 15,3
Высота [мм] : 54,7
Диаметр фаски 2 [мм] : 112
Диаметр центрирования [мм] : 67
Дополнительный артикул / дополнительная информация 2 : с винтами
Количество отверстий : 5
Минимальная толщина [мм] : 25,4
Наружный диаметр [мм] : 295
Поверхность : покрытый УФ-лаком
Сторона установки : Передний мост
Тип тормозного диска : вентилируемый
Толщина тормозного диска (мм) : 28
Показать больше свойств
|
|
|
Тормозной диск
Высота [мм] : 54,5
Диаметр [мм] : 295
Диаметр центрирования [мм] : 67
Минимальная толщина [мм] : 25,4
Расположение/число отверстий : 5/6
Специальное транспортное средство : для такси
Сторона установки : Передний мост
Тип тормозного диска : вентилируемый
Толщина тормозного диска (мм) : 28
Показать больше свойств
|
|
|
Тормозной диск
Высота [мм] : 66
Диаметр [мм] : 300
Диаметр отверстия [мм] : 15
Диаметр фаски 2 [мм] : 67
для оригинального номера : 2114230712
Дополнительный артикул / дополнительная информация 2 : без валового подшипника
Количество отверстий : 5
Минимальная толщина [мм] : 8
Сторона установки : Задний мост
Тип тормозного диска : полный
Толщина тормозного диска (мм) : 10
Показать больше свойств
|
|
|
Тормозной диск
Вес [кг] : 7,1
Диаметр [мм] : 300
Качество : Kreuzschliff
Минимальная толщина [мм] : 19,4
Расположение/число отверстий : 5
Сторона установки : Задний мост
Тип тормозного диска : вентилируемый
Толщина тормозного диска (мм) : 22
Показать больше свойств
|
|
|
Тормозной диск
Вес [кг] : 7,32
Высота [мм] : 54,5
Диаметр [мм] : 295
Диаметр центрирования [мм] : 67
Качество : Kreuzschliff
Количество отверстий : 5
Минимальная толщина [мм] : 25,4
Специальное транспортное средство : не для такси
Сторона установки : Передний мост
Тип тормозного диска : вентилируемый
Толщина тормозного диска (мм) : 28
Показать больше свойств
|
|
|
Тормозной диск
Высота [мм] : 64,5
Диаметр [мм] : 330
Диаметр центрирования [мм] : 67
Поверхность : с покрытием
Расположение/число отверстий : 5/6
Сторона установки : Передний мост
Тип тормоза : Дисковой механизм
Тип тормозного диска : с отверстиями/с внутр. вентиляцией
Толщина тормозного диска (мм) : 32
Показать больше свойств
|
|
|
Тормозной диск
Высота [мм] : 64,5
Диаметр [мм] : 330
Диаметр центрирования [мм] : 67
Расположение/число отверстий : 5/6
Сторона установки : Передний мост
Тип тормоза : Дисковой механизм
Тип тормозного диска : с отверстиями/с внутр. вентиляцией
Толщина тормозного диска (мм) : 32
Показать больше свойств
|
|
|
Тормозной диск
Высота [мм] : 54,5
Диаметр [мм] : 295
Диаметр центрирования [мм] : 67
Минимальная толщина [мм] : 25,4
Поверхность : с покрытием
Расположение/число отверстий : 5/6
Специальное транспортное средство : не для такси
Сторона установки : Передний мост
Тип тормозного диска : вентилируемый
Толщина тормозного диска (мм) : 28
Показать больше свойств
|
|
|
Тормозной диск
Высота [мм] : 54,5
Диаметр [мм] : 295
Диаметр центрирования [мм] : 67
Минимальная толщина [мм] : 25,4
Расположение/число отверстий : 5/6
Специальное транспортное средство : не для такси
Сторона установки : Передний мост
Тип тормозного диска : вентилируемый
Толщина тормозного диска (мм) : 28
Показать больше свойств
|
|
|
Тормозной диск
Высота [мм] : 54,5
Диаметр [мм] : 295
Диаметр центрирования [мм] : 67
Минимальная толщина [мм] : 25,4
Поверхность : с покрытием
Расположение/число отверстий : 5/6
Специальное транспортное средство : для такси
Сторона установки : Передний мост
Тип тормозного диска : вентилируемый
Толщина тормозного диска (мм) : 28
Показать больше свойств
|
|
|
Тормозной диск
Высота [мм] : 64,5
Диаметр [мм] : 312
Диаметр фаски 2 [мм] : 67
Количество отверстий : 5
Минимальная толщина [мм] : 25,4
Момент затяжки [Нм] : 130
Обработка : Высокоуглеродистый
Толщина тормозного диска (мм) : 28
Показать больше свойств
|
|
|
Тормозной диск
Высота [мм] : 68
Диаметр [мм] : 300
Диаметр центрирования [мм] : 67
Количество отверстий : 5
Минимальная толщина [мм] : 19,4
Момент затяжки [Нм] : 130
Тип тормозного диска : с внутренней вентиляцией
Толщина тормозного диска (мм) : 22
Показать больше свойств
|
|
|
Тормозной диск
Версия : JC
Высота [мм] : 64,5
Диаметр [мм] : 312
Диаметр центрирования [мм] : 67
Количество отверстий : 5
Минимальная толщина [мм] : 25,4
Поверхность : с покрытием
Сторона установки : Передний мост
Тип тормозного диска : вентилируемый
Толщина тормозного диска (мм) : 28
Тормозная система : ATE
Показать больше свойств
|
|
|
Тормозной диск
Высота [мм] : 68
Диаметр [мм] : 300
Диаметр фаски 2 [мм] : 112
Диаметр центрирования [мм] : 67
Количество отверстий : 5
Минимальная толщина [мм] : 19,4
Поверхность : с покрытием
Тип тормозного диска : с внутренней вентиляцией
Толщина тормозного диска (мм) : 22
Показать больше свойств
|
|
|
Тормозной диск
Вес [кг] : 17,91
Высота [мм] : 64,5
Диаметр [мм] : 312
Диаметр фаски 2 [мм] : 0
Диаметр центрирования [мм] : 67
Дополнительный артикул / дополнительная информация 2 : с винтами
Количественная единица : комплект
Количество отверстий : 5
Минимальная толщина [мм] : 25,4
Момент затяжки [Нм] : 100
Поверхность : с покрытием
Сторона установки : Передний мост
Тип тормозного диска : вентилируемый
Толщина тормозного диска (мм) : 28
Показать больше свойств
|
|
|
Тормозной диск
Вес [кг] : 17,91
Высота [мм] : 64,5
Диаметр [мм] : 312
Диаметр центрирования [мм] : 67
Дополнительный артикул / дополнительная информация 2 : с винтами
Количество отверстий : 5
Минимальная толщина [мм] : 25,4
Сторона установки : Передний мост
Тип тормозного диска : вентилируемый
Толщина тормозного диска (мм) : 28
Показать больше свойств
|
|
|
Тормозной диск
Вес [кг] : 8,13
Высота [мм] : 54,5
Диаметр [мм] : 295
Диаметр центрирования [мм] : 67
Дополнительный артикул / дополнительная информация 2 : с винтами
Количественная единица : штука
Количество отверстий : 5
Минимальная толщина [мм] : 25,4
Момент затяжки [Нм] : 150
Поверхность : с покрытием
Сторона установки : Передний мост
Тип тормозного диска : вентилируемый
Толщина тормозного диска (мм) : 28
Показать больше свойств
|
|
|
Тормозной диск
Ø фаски 1 [мм] : 112
Вес [кг] : 16,26
Высота [мм] : 54,5
Диаметр [мм] : 295
Диаметр фаски 2 [мм] : 0
Диаметр центрирования [мм] : 67
Дополнительный артикул / дополнительная информация 2 : с винтами
Количественная единица : комплект
Количество отверстий : 5
Минимальная толщина [мм] : 25,4
Поверхность : с покрытием
Сторона установки : Передний мост
Тип тормозного диска : вентилируемый
Толщина тормозного диска (мм) : 28
Показать больше свойств
|
|
|
Тормозной диск
Вес [кг] : 8,13
Высота [мм] : 54,5
Диаметр [мм] : 295
Диаметр центрирования [мм] : 67
Дополнительный артикул / дополнительная информация 2 : с винтами
Количественная единица : штука
Количество отверстий : 5
Минимальная толщина [мм] : 25,4
Момент затяжки [Нм] : 150
Сторона установки : Передний мост
Тип тормозного диска : вентилируемый
Толщина тормозного диска (мм) : 28
Показать больше свойств
|
|
|
Тормозной диск
Ø фаски 1 [мм] : 112
Вес [кг] : 16,26
Высота [мм] : 54,5
Диаметр [мм] : 295
Диаметр фаски 2 [мм] : 112
Диаметр центрирования [мм] : 67
Дополнительный артикул / дополнительная информация 2 : с винтами
Количество отверстий : 5
Минимальная толщина [мм] : 25,4
Момент затяжки [Нм] : 150
Сторона установки : Передний мост
Тип тормозного диска : вентилируемый
Толщина тормозного диска (мм) : 28
Показать больше свойств
|
|
|
Тормозной диск
Ø отверстия ступицы [мм] : 67
Высота [мм] : 54,5
Диаметр [мм] : 295
Количество отверстий : 5
Минимальная толщина [мм] : 25
Тип тормозного диска : с внутренней вентиляцией
Толщина тормозного диска (мм) : 28
Показать больше свойств
|
|
|
Тормозной диск
Диаметр [мм] : 300
Диаметр фаски 2 [мм] : 112
Количество отверстий : 5
Минимальная толщина [мм] : 19,4
Обработка : легированный/высокоуглеродистый
Поверхность : с покрытием
Тип тормозного диска : с внутренней вентиляцией
Толщина тормозного диска (мм) : 22
Показать больше свойств
|
|
|
Тормозной диск
Высота [мм] : 68
Диаметр [мм] : 300
Диаметр фаски 2 [мм] : 112
Диаметр центрирования [мм] : 67
Количество отверстий : 5
Минимальная толщина [мм] : 19,4
Тип тормозного диска : с внутренней вентиляцией
Толщина тормозного диска (мм) : 22
Показать больше свойств
|
|
|
Тормозной диск
Вес [кг] : 20,82
Высота [мм] : 64,5
Диаметр [мм] : 330
Диаметр центрирования [мм] : 67
Дополнительный артикул / дополнительная информация 2 : без винтов
Количество отверстий : 5
Минимальная толщина [мм] : 30
Момент затяжки [Нм] : 150
Сторона установки : Передний мост
Тип тормозного диска : вентилируемый
Толщина тормозного диска (мм) : 32
Показать больше свойств
|
|
|
Тормозной диск
Высота [мм] : 64,5
Диаметр [мм] : 312
Диаметр фаски 2 [мм] : 112
Диаметр центрирования [мм] : 67
Количество отверстий : 5
Минимальная толщина [мм] : 25,4
Поверхность : с покрытием
Тип тормозного диска : с внутренней вентиляцией
Толщина тормозного диска (мм) : 28
Показать больше свойств
|
|
|
Тормозной диск
Высота [мм] : 64,5
Диаметр [мм] : 312
Диаметр фаски 2 [мм] : 112
Диаметр центрирования [мм] : 67
Количество отверстий : 5
Минимальная толщина [мм] : 25,4
Тип тормозного диска : с внутренней вентиляцией
Толщина тормозного диска (мм) : 28
Показать больше свойств
|
|
|
Тормозной диск
Диаметр [мм] : 295
Диаметр фаски 2 [мм] : 112
Количество отверстий : 5
Минимальная толщина [мм] : 25,4
Обработка : легированный/высокоуглеродистый
Поверхность : с покрытием
Тип тормозного диска : с внутренней вентиляцией
Толщина тормозного диска (мм) : 28
Показать больше свойств
|
|
|
Тормозной диск
Высота [мм] : 54,5
Диаметр [мм] : 295
Диаметр фаски 2 [мм] : 112
Диаметр центрирования [мм] : 67
Количество отверстий : 5
Минимальная толщина [мм] : 25,4
Поверхность : с покрытием
Тип тормозного диска : с внутренней вентиляцией
Толщина тормозного диска (мм) : 28
Показать больше свойств
|
|
|
Тормозной диск
Высота [мм] : 54,5
Диаметр [мм] : 295
Диаметр фаски 2 [мм] : 112
Диаметр центрирования [мм] : 67
Количество отверстий : 5
Минимальная толщина [мм] : 25,4
Тип тормозного диска : с внутренней вентиляцией
Толщина тормозного диска (мм) : 28
Показать больше свойств
|
|
|
Тормозной диск
Высота [мм] : 68,5
Диаметр [мм] : 300
Диаметр фаски 2 [мм] : 112
Диаметр центрирования [мм] : 67,1
Количество отверстий : 5
Минимальная толщина [мм] : 8,3
Поверхность : с покрытием
Тип тормозного диска : полный
Толщина тормозного диска (мм) : 10
Показать больше свойств
|
|
|
Тормозной диск
Высота [мм] : 68,5
Диаметр [мм] : 300
Диаметр фаски 2 [мм] : 112
Диаметр центрирования [мм] : 67,1
Количество отверстий : 5
Минимальная толщина [мм] : 8,3
Тип тормозного диска : полный
Толщина тормозного диска (мм) : 10
Показать больше свойств
|
|
|
Тормозной диск
Версия : JC
Высота [мм] : 64,5
Диаметр [мм] : 329,7
Диаметр центрирования [мм] : 67
Количество отверстий : 5
Минимальная толщина [мм] : 30
Поверхность : с покрытием
Расположение/число отверстий : 5+1
Сторона установки : Передний мост
Тип тормозного диска : вентилируемый
Толщина тормозного диска (мм) : 32
Показать больше свойств
|
|
|
Тормозной диск
Вес [кг] : 8,96
Высота [мм] : 64,5
Диаметр [мм] : 312
Диаметр центрирования [мм] : 67
Дополнительный артикул / дополнительная информация 2 : с винтами
Количественная единица : штука
Количество отверстий : 5
Минимальная толщина [мм] : 25,4
Поверхность : с покрытием
Сторона установки : Передний мост
Тип тормозного диска : вентилируемый
Толщина тормозного диска (мм) : 28
Показать больше свойств
|
|
|
Тормозной диск
Вес [кг] : 20,82
Высота [мм] : 64,5
Диаметр [мм] : 330
Диаметр фаски 2 [мм] : 0
Диаметр центрирования [мм] : 67
Дополнительный артикул / дополнительная информация 2 : без винтов
Количественная единица : комплект
Количество отверстий : 5
Минимальная толщина [мм] : 30
Момент затяжки [Нм] : 150
Поверхность : с покрытием
Сторона установки : Передний мост
Тип тормозного диска : вентилируемый
Толщина тормозного диска (мм) : 32
Показать больше свойств
|
|
|
Тормозной диск
вариант оснащения : beschichtet
Высота [мм] : 54,5
Диаметр [мм] : 295,2
Диаметр центрирования [мм] : 67
Дополнительный артикул / дополнительная информация 2 : С комлектом установочных винтов
Количество отверстий : 5
Минимальная толщина [мм] : 25,4
Момент затяжки [Нм] : 130
Обработка : Высокоуглеродистый
Тип тормозного диска : с внутренней вентиляцией
Толщина тормозного диска (мм) : 28
Показать больше свойств
|
|
|
Тормозной диск
Вес [кг] : 7,98
Высота [мм] : 54,5
Диаметр [мм] : 295
Диаметр фаски 2 [мм] : 112
Диаметр центрирования [мм] : 67
Дополнительный артикул / дополнительная информация 2 : без ступицы
Минимальная толщина [мм] : 25,4
Расположение/число отверстий : 05/06
Тип тормозного диска : с внутренней вентиляцией
Толщина тормозного диска (мм) : 28
Показать больше свойств
|
|
|
Тормозной диск
вариант оснащения : beschichtet
Высота [мм] : 68,2
Диаметр [мм] : 300
Диаметр центрирования [мм] : 67
Количество отверстий : 5
Минимальная толщина [мм] : 19,4
Момент затяжки [Нм] : 130
Тип тормозного диска : с внутренней вентиляцией
Толщина тормозного диска (мм) : 22
Показать больше свойств
|
|
|
Тормозной диск
вариант оснащения : mit Korrosionsschutz
Высота [мм] : 64,5
Диаметр [мм] : 330
Дополнительный артикул / дополнительная информация 2 : С комлектом установочных винтов
Количество отверстий : 5
Минимальная толщина [мм] : 30
Момент затяжки [Нм] : 130
Обработка : Высокоуглеродистый
Тип тормозного диска : с отверстиями/с внутр. вентиляцией
Толщина тормозного диска (мм) : 32
Показать больше свойств
|
|
|
Тормозной диск
вариант оснащения : mit Korrosionsschutz
Высота [мм] : 64,5
Диаметр [мм] : 330
Дополнительный артикул / дополнительная информация 2 : С комлектом установочных винтов
Количество отверстий : 5
Минимальная толщина [мм] : 30
Момент затяжки [Нм] : 130
Обработка : Высокоуглеродистый
Тип тормозного диска : с отверстиями/с внутр. вентиляцией
Толщина тормозного диска (мм) : 32
Показать больше свойств
|
|
|
Тормозной диск
вариант оснащения : mit Korrosionsschutz
Высота [мм] : 54,5
Диаметр [мм] : 295
Диаметр центрирования [мм] : 67
Дополнительный артикул / дополнительная информация 2 : С комлектом установочных винтов
Количество отверстий : 5
Минимальная толщина [мм] : 25,4
Момент затяжки [Нм] : 130
Обработка : Высокоуглеродистый
Тип тормозного диска : обдуваемый внутри - обдув через каплевидное крыло
Толщина тормозного диска (мм) : 28
Показать больше свойств
|
|
|
Тормозной диск
Глубина [мм] : 68
Диаметр [мм] : 300
Диаметр центрирования [мм] : 67
Количество отверстий : 5
Минимальная толщина [мм] : 19,4
Тип сборки : закреплено болтами / шурупами
Тип тормозного диска : вентилируемый
Толщина тормозного диска (мм) : 22
Показать больше свойств
|
|
|
Тормозной диск
Глубина [мм] : 64
Диаметр [мм] : 312
Диаметр центрирования [мм] : 67
Количество отверстий : 5
Минимальная толщина [мм] : 25,4
Тип сборки : закреплено болтами / шурупами
Тип тормозного диска : вентилируемый
Толщина тормозного диска (мм) : 28
Показать больше свойств
|
|
|
Тормозной диск
Ø отверстия ступицы [мм] : 67
Ø фаски 1 [мм] : 112
Вес [кг] : 10,8
Высота [мм] : 64,5
Минимальная толщина [мм] : 30
Наружный диаметр [мм] : 330
Обработка : Высокоуглеродистый
Поверхность : с покрытием
Расположение/число отверстий : 6/5
Тип тормозного диска : с отверстиями
Толщина [мм] : 32
Показать больше свойств
|
|
|
Тормозной диск
Ø отверстия ступицы [мм] : 67
Ø фаски 1 [мм] : 112
Вес [кг] : 7,98
Высота [мм] : 54,5
Минимальная толщина [мм] : 25,4
Наружный диаметр [мм] : 295
Номер ABE : KBA 60872
Обработка : Высокоуглеродистый
Поверхность : с покрытием
Расположение/число отверстий : 6/5
Тип тормозного диска : с отверстиями
Толщина [мм] : 28
Показать больше свойств
|
|
|
Тормозной диск
Вес [кг] : 20,200
Высота [мм] : 64,5
Диаметр [мм] : 330
Диаметр фаски 2 [мм] : 112
Диаметр центрирования [мм] : 67
Дополнительный артикул / дополнительная информация 2 : без ступицы
Минимальная толщина [мм] : 30
Расположение/число отверстий : 05/06
Тип тормозного диска : с отверстиями/с внутр. вентиляцией
Толщина тормозного диска (мм) : 32
Показать больше свойств
|
|
|
Тормозной диск
Вес [кг] : 10,41
Высота [мм] : 64,5
Диаметр [мм] : 330
Диаметр центрирования [мм] : 67
Количественная единица : штука
Количество отверстий : 5
Минимальная толщина [мм] : 30
Момент затяжки [Нм] : 150
Поверхность : с покрытием
Сторона установки : Передний мост
Тип тормозного диска : вентилируемый
Толщина тормозного диска (мм) : 32
Показать больше свойств
|
|
|
Тормозной диск
Вес [кг] : 7,12
Высота [мм] : 68
Диаметр [мм] : 300
Диаметр фаски 2 [мм] : 112
Диаметр центрирования [мм] : 67
Дополнительный артикул / дополнительная информация 2 : без ступицы
Минимальная толщина [мм] : 19,4
Расположение/число отверстий : 05/06
Тип тормозного диска : с внутренней вентиляцией
Толщина тормозного диска (мм) : 22
Показать больше свойств
|
|
|
Тормозной диск
Высота [мм] : 68
Диаметр [мм] : 300
Диаметр центрирования [мм] : 67
для артикула № : 09.A358.10
Дополнительный артикул / дополнительная информация 2 : с винтами
Количество отверстий : 5
Минимальная толщина [мм] : 19,4
Момент затяжки [Нм] : 130
Обработка : Высокоуглеродистый
Тип тормозного диска : с внутренней вентиляцией
Толщина тормозного диска (мм) : 22
Показать больше свойств
|
|
|
Тормозной диск
Высота [мм] : 64,5
Диаметр [мм] : 330
Диаметр центрирования [мм] : 67
для артикула № : 09.9825.10
Дополнительный артикул / дополнительная информация 2 : с винтами
Количество отверстий : 5
Минимальная толщина [мм] : 30
Момент затяжки [Нм] : 130
Обработка : Высокоуглеродистый
Тип тормозного диска : с отверстиями/с внутр. вентиляцией
Толщина тормозного диска (мм) : 32
Показать больше свойств
|
|
|
Тормозной диск
Высота [мм] : 64,5
Диаметр [мм] : 312
Диаметр центрирования [мм] : 67
для артикула № : 09.9481.10
Дополнительный артикул / дополнительная информация 2 : с винтами
Количество отверстий : 5
Минимальная толщина [мм] : 25,4
Момент затяжки [Нм] : 130
Обработка : Высокоуглеродистый
Тип тормозного диска : с внутренней вентиляцией
Толщина тормозного диска (мм) : 28
Показать больше свойств
|
|
|
Тормозной диск
Высота [мм] : 54,5
Диаметр [мм] : 295
Диаметр центрирования [мм] : 67
для артикула № : 09.9362.14
Дополнительный артикул / дополнительная информация 2 : с винтами
Количество отверстий : 5
Минимальная толщина [мм] : 25,4
Момент затяжки [Нм] : 130
Обработка : Высокоуглеродистый
Тип тормозного диска : с внутренней вентиляцией
Толщина тормозного диска (мм) : 28
Показать больше свойств
|
|
|
Тормозной диск
Высота [мм] : 54,5
Диаметр [мм] : 295
Диаметр центрирования [мм] : 67
для артикула № : 09.9362.11
Дополнительный артикул / дополнительная информация 2 : с винтами
Количество отверстий : 5
Минимальная толщина [мм] : 25,4
Момент затяжки [Нм] : 130
Обработка : Высокоуглеродистый
Поверхность : с покрытием
Тип тормозного диска : с внутренней вентиляцией
Толщина тормозного диска (мм) : 28
Показать больше свойств
|
|
|
Тормозной диск
Вес [кг] : 7,23
Высота [мм] : 65,5
Диаметр [мм] : 300
Диаметр центрирования [мм] : 67
Количественная единица : штука
Количество отверстий : 5
Минимальная толщина [мм] : 19,4
Сторона установки : Задний мост
Тип тормозного диска : вентилируемый
Толщина тормозного диска (мм) : 22
Показать больше свойств
|
|
|
Тормозной диск
Вес [кг] : 14,46
Высота [мм] : 65,5
Диаметр [мм] : 300
Диаметр фаски 2 [мм] : 112
Диаметр центрирования [мм] : 67
Дополнительный артикул / дополнительная информация 2 : без винтов
Количество отверстий : 5
Минимальная толщина [мм] : 19,4
Момент затяжки [Нм] : 100
Сторона установки : Задний мост
Тип тормозного диска : вентилируемый
Толщина тормозного диска (мм) : 22
Показать больше свойств
|
|
|
Тормозной диск
Высота [мм] : 64,5
Диаметр [мм] : 330
Диаметр ступицы колеса [мм] : 67
Диаметр фаски 2 [мм] : 112
Исполнение моста : Front
Минимальная толщина [мм] : 29,4
Номер технической информации : 78RBD22592
Расположение/число отверстий : 5
Тип тормоза : Дисковой механизм
Тип тормозного диска : вентилируемый
Толщина [мм] : 32
Показать больше свойств
|
|