Внешнее зацепление со стороны колеса : 28Внутренне зубчатое соединение со стороны колеса : 39Диаметр прокладки [мм] : 58,4Материал : резинамеханически обработанный : с нарезкой / выемкой во внутренней частиНаружный диаметр [мм] : 95Сторона установки : со стороны колеса
Показать больше свойств
Внешнее зацепление со стороны колеса : 28Внутренне зубчатое соединение со стороны колеса : 39Диаметр прокладки [мм] : 58,4для артикула № : KPG763Наружный диаметр [мм] : 95
Показать больше свойств
Внешнее зацепление со стороны колеса : 28Внутренне зубчатое соединение со стороны колеса : 39Диаметр прокладки [мм] : 58,4Материал : резинамеханически обработанный : с нарезкой / выемкой во внутренней частиНаружный диаметр [мм] : 95Сторона установки : со стороны колеса
Показать больше свойств
Внешнее зацепление со стороны колеса : 28Внутренне зубчатое соединение со стороны колеса : 39Диаметр прокладки [мм] : 58,4для артикула № : GPG6070KНаружный диаметр [мм] : 95Сторона установки : со стороны колеса
Показать больше свойств
Внешнее зацепление со стороны колеса : 28Внутренне зубчатое соединение со стороны колеса : 39Диаметр прокладки [мм] : 58,4механически обработанный : с нарезкой / выемкой во внутренней частиНаружный диаметр [мм] : 95Сторона установки : со стороны колеса
Показать больше свойств
Внешнее зацепление со стороны дифференциала : 37Внутреннее зубчатое соединение со стороны дифференциала : 39Диаметр прокладки [мм] : 40Длина [мм] : 168,5Сторона установки : со стороны коробки передач
Показать больше свойств
Внешнее зацепление со стороны колеса : 28Внутренне зубчатое соединение со стороны колеса : 39Диаметр прокладки [мм] : 58,6Длина [мм] : 157Сторона установки : со стороны колеса
Показать больше свойств
Внешнее зацепление со стороны дифференциала : 37Внутреннее зубчатое соединение со стороны дифференциала : 39Диаметр прокладки [мм] : 32Длина [мм] : 494,5Сторона установки : со стороны коробки передач
Показать больше свойств
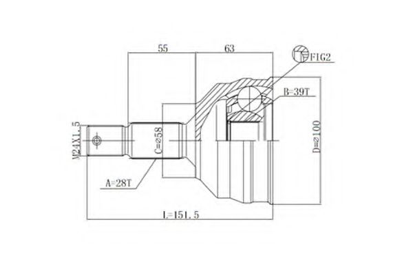
Внешнее зацепление со стороны колеса : 28Внутренне зубчатое соединение со стороны колеса : 39Диаметр [мм] : 100Диаметр прокладки [мм] : 58Общая высота [мм] : 155
Показать больше свойств
Внешнее зацепление со стороны колеса : 28Внутренне зубчатое соединение со стороны колеса : 39Диаметр прокладки [мм] : 58,6Длина 2 [мм] : 55,4Наружный диаметр [мм] : 95,9Сторона установки : со стороны колеса
Показать больше свойств
Внешнее зацепление со стороны колеса : 28Внутренне зубчатое соединение со стороны колеса : 39Диаметр прокладки [мм] : 58,4Наружный диаметр [мм] : 95Сторона установки : со стороны колесаТип соединения / сочленения : Шарнир равных угловых скоростей
Показать больше свойств
Внешнее зацепление со стороны колеса : 28Внутренне зубчатое соединение со стороны колеса : 39Диаметр прокладки [мм] : 58механически обработанный : без нарезки / выемки во внутренней части
Показать больше свойств
Внешнее зацепление со стороны колеса : 28Внутренне зубчатое соединение со стороны колеса : 39Диаметр прокладки [мм] : 58,4Наружный диаметр [мм] : 95Сторона установки : со стороны колеса
Показать больше свойств